轴承专区
Bearings Center
23052-2CS5/VT143 *轴承-SKF 23052-2CS5/VT143 *轴承尺寸、图纸、价格
SKF 23052-2CS5/VT143 *轴承
| 产品名称: | 23052-2CS5/VT143 *轴承 | 品牌: | SKF |
|---|---|---|---|
| 类型: | SKF轴承 > 滚动轴承 > 球面滚子轴承 | ||
| 描述: | 23052-2CS5/VT143 *轴承是【SKF轴承 > 滚动轴承 > 球面滚子轴承】的型号,主要用在飞机喷气式发动机、油泵、压缩机、机床主轴、轧钢机辊道子、起重机吊钩、燃机、精细化工机械、强夯机、坦克等各大领域 | ||
电话/微信:138-8949-5179
SKF 23052-2CS5/VT143 *轴承详细信息
23052-2CS5/VT143 *轴承是【SKF轴承 > 滚动轴承 > 球面滚子轴承】的型号,主要用在飞机喷气式发动机、油泵、压缩机、机床主轴、轧钢机辊道子、起重机吊钩、燃机、精细化工机械、强夯机、坦克等各大领域。
SKF 23052-2CS5/VT143 *轴承详细参数
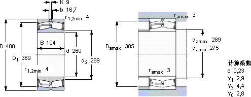
| 球面滚子轴承, 圆柱和圆锥孔, 圆柱型内孔, 两面密封件 | ||||||||||
| 主要数据尺寸 | 基本负荷额定值 | 疲劳负荷限值 | 额定速度 | 体积 | 型号 | |||||
| 动态 | 静态 | 参照速度 | 限制速度 | |||||||
| d | D | B | C | C0 | Pu | * - SKF Explorer 轴承 | ||||
| mm | kN | kN | r/min | kg | - | |||||
| 260 | 400 | 104 | 1600 | 2550 | 212 | - | 360 | 48,5 | 23052-2CS5/VT143 * | |
SKF 23052-2CS5/VT143 *轴承尺寸图纸

