李工:138-8949-5179 刘工:135-0428-8802
型号查询
轴承型号   常见搜索: 6906轴承 6305轴承 6012轴承 2025轴承 6018轴承 6909轴承
型号查询 X

轴承专区

Bearings Center

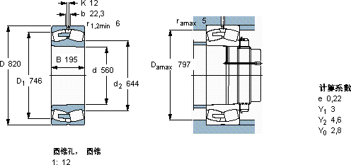
230/560 CAK/W33 *轴承-SKF 230/560 CAK/W33 *轴承尺寸、图纸、价格

SKF 230/560 CAK/W33 *轴承

产品名称:230/560 CAK/W33 *轴承 品牌:SKF
类型:SKF轴承 > 滚动轴承 > 球面滚子轴承
描述:230/560 CAK/W33 *轴承是【SKF轴承 > 滚动轴承 > 球面滚子轴承】的型号,主要用在变速器、高频马达、发电机、前轮、轧钢机齿轮箱座、机床等的变速装置、立式电动机、啤酒、工程船舶、正面吊等各大领域

 电话/微信:138-8949-5179

SKF 230/560 CAK/W33 *轴承详细信息

230/560 CAK/W33 *轴承是【SKF轴承 > 滚动轴承 > 球面滚子轴承】的型号,主要用在变速器、高频马达、发电机、前轮、轧钢机齿轮箱座、机床等的变速装置、立式电动机、啤酒、工程船舶、正面吊等各大领域。

SKF 230/560 CAK/W33 *轴承详细参数

球面滚子轴承, 圆柱和圆锥孔, 圆锥型内孔, 无密封件
主要数据尺寸基本负荷额定值疲劳负荷限值额定速度体积型号
动态静态参照速度限制速度
dDBCC0Pu * - SKF Explorer 轴承
mmkNkNr/minkg-
560820195560010200680430750345230/560 CAK/W33 *

SKF 230/560 CAK/W33 *轴承尺寸图纸

李工:138-8949-5179

刘工:135-0428-8802

地址:辽宁省大连经济技术开发区现代城3栋-13-13号

在线客服系统