轴承专区
Bearings Center
BTW 90 CTN9/SP轴承-SKF BTW 90 CTN9/SP轴承尺寸、图纸、价格
SKF BTW 90 CTN9/SP轴承
| 产品名称: | BTW 90 CTN9/SP轴承 | 品牌: | SKF |
|---|---|---|---|
| 类型: | SKF轴承 > 超高精密轴承 > Double direction angular contact thrust ball bearings in the BTW series | ||
| 描述: | BTW 90 CTN9/SP轴承是【SKF轴承 > 超高精密轴承 > Double direction angular contact thrust ball bearings in the BTW series】的型号,主要用在变速器、印刷机械、纺织机械传动轴、轧钢机辊颈、各类产业用减速机、石油钻机转环、立式电动机、薄膜拉伸、轻工机械、吹氧装置等各大领域 | ||
电话/微信:138-8949-5179
SKF BTW 90 CTN9/SP轴承详细信息
BTW 90 CTN9/SP轴承是【SKF轴承 > 超高精密轴承 > Double direction angular contact thrust ball bearings in the BTW series】的型号,主要用在变速器、印刷机械、纺织机械传动轴、轧钢机辊颈、各类产业用减速机、石油钻机转环、立式电动机、薄膜拉伸、轻工机械、吹氧装置等各大领域。
SKF BTW 90 CTN9/SP轴承详细参数
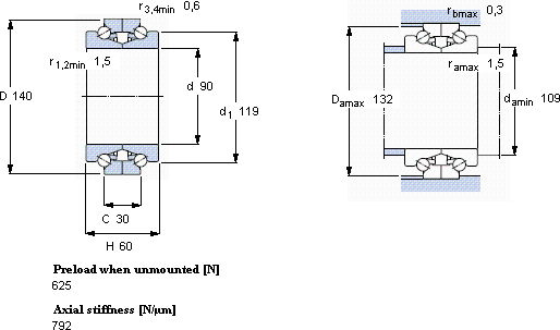
| 主要数据尺寸 | 基本负荷额定值 | 疲劳负荷限值 | 可达到的速度 | 体积 | 型号 | ||||||
| 动态 | 静态 | 疲劳负荷限值 | 当润滑与 | ||||||||
| 疲劳负荷限值 | 油脂 | 滴油润滑 | |||||||||
| d | D | H | C | C | C0 | Pu | |||||
| mm | kN | kN | r/min | kg | - | ||||||
| 90 | 140 | 60 | 30 | 55,9 | 173 | 7,65 | 5000 | 6000 | 2,70 | BTW 90 CTN9/SP | |
SKF BTW 90 CTN9/SP轴承尺寸图纸

