轴承专区
Bearings Center
22316 EK + H 2316 *轴承-SKF 22316 EK + H 2316 *轴承尺寸、图纸、价格
SKF 22316 EK + H 2316 *轴承
| 产品名称: | 22316 EK + H 2316 *轴承 | 品牌: | SKF |
|---|---|---|---|
| 类型: | SKF轴承 > 滚动轴承 > 球面滚子轴承 | ||
| 描述: | 22316 EK + H 2316 *轴承是【SKF轴承 > 滚动轴承 > 球面滚子轴承】的型号,主要用在建筑机械、高频马达、桥式起重机、前轮、各类产业用减速机、机床等的变速装置、成形机、音像设备、压路机、泥炮等各大领域 | ||
电话/微信:138-8949-5179
SKF 22316 EK + H 2316 *轴承详细信息
22316 EK + H 2316 *轴承是【SKF轴承 > 滚动轴承 > 球面滚子轴承】的型号,主要用在建筑机械、高频马达、桥式起重机、前轮、各类产业用减速机、机床等的变速装置、成形机、音像设备、压路机、泥炮等各大领域。
SKF 22316 EK + H 2316 *轴承详细参数
| 球面滚子轴承, 带紧定套的 | ||||||||||
| 主要数据尺寸 | 基本负荷额定值 | 疲劳负荷限值 | 额定速度 | 体积 | 型号 | |||||
| 动态 | 静态 | 参照速度 | 限制速度 | 轴承 + 紧定套 | ||||||
| d1 | D | B | C | C0 | Pu | |||||
| * - SKF Explorer 轴承 | ||||||||||
| mm | kN | kN | r/min | kg | - | |||||
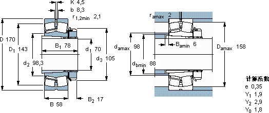
| 70 | 170 | 58 | 490 | 540 | 54 | 3000 | 4000 | 7,65 | 22316 EK + H 2316 * | |
SKF 22316 EK + H 2316 *轴承尺寸图纸

