李工:138-8949-5179 刘工:135-0428-8802
型号查询
轴承型号   常见搜索: 6205轴承 6305轴承 6008轴承 1轴承 6024轴承 2025轴承
型号查询 X

轴承专区

Bearings Center

22310 EK + AHX 2310 *轴承-SKF 22310 EK + AHX 2310 *轴承尺寸、图纸、价格

SKF 22310 EK + AHX 2310 *轴承

产品名称:22310 EK + AHX 2310 *轴承 品牌:SKF
类型:SKF轴承 > 滚动轴承 > 球面滚子轴承
描述:22310 EK + AHX 2310 *轴承是【SKF轴承 > 滚动轴承 > 球面滚子轴承】的型号,主要用在变速器、印刷机械、汽车发动机、轧钢机辊颈、各类产业用减速机、制铁制钢机械、立式电动机、制鞋、堆取料机、吹氧装置等各大领域

 电话/微信:138-8949-5179

SKF 22310 EK + AHX 2310 *轴承详细信息

22310 EK + AHX 2310 *轴承是【SKF轴承 > 滚动轴承 > 球面滚子轴承】的型号,主要用在变速器、印刷机械、汽车发动机、轧钢机辊颈、各类产业用减速机、制铁制钢机械、立式电动机、制鞋、堆取料机、吹氧装置等各大领域。

SKF 22310 EK + AHX 2310 *轴承详细参数

球面滚子轴承, 带退卸套的
主要数据尺寸基本负荷额定值疲劳负荷限值额定速度体积型号
动态静态参照速度限制速度轴承 +退卸套
d1DBCC0Pu
* - SKF Explorer 轴承
mmkNkNr/minkg-
451104022022424480063002,1022310 EK + AHX 2310 *

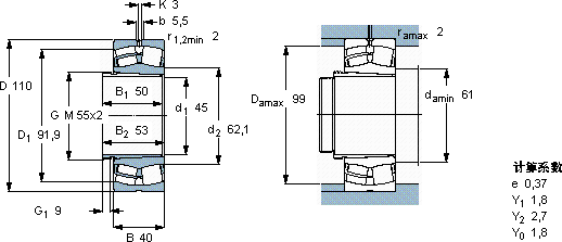
SKF 22310 EK + AHX 2310 *轴承尺寸图纸

李工:138-8949-5179

刘工:135-0428-8802

地址:辽宁省大连经济技术开发区现代城3栋-13-13号

在线客服系统