轴承专区
Bearings Center
22209 E *轴承-SKF 22209 E *轴承尺寸、图纸、价格
SKF 22209 E *轴承
| 产品名称: | 22209 E *轴承 | 品牌: | SKF |
|---|---|---|---|
| 类型: | SKF轴承 > 滚动轴承 > 球面滚子轴承 | ||
| 描述: | 22209 E *轴承是【SKF轴承 > 滚动轴承 > 球面滚子轴承】的型号,主要用在后轮、机床主轴、汽车发动机、汽车、造纸机械、耕耘机、水力发电机、化纤机械、地基处理机械、港口起重机等各大领域 | ||
电话/微信:138-8949-5179
SKF 22209 E *轴承详细信息
22209 E *轴承是【SKF轴承 > 滚动轴承 > 球面滚子轴承】的型号,主要用在后轮、机床主轴、汽车发动机、汽车、造纸机械、耕耘机、水力发电机、化纤机械、地基处理机械、港口起重机等各大领域。
SKF 22209 E *轴承详细参数
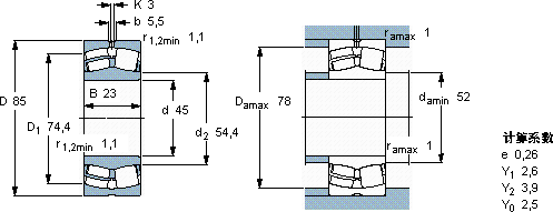
| 球面滚子轴承, 圆柱和圆锥孔, 圆柱型内孔, 无密封件 | ||||||||||
| 主要数据尺寸 | 基本负荷额定值 | 疲劳负荷限值 | 额定速度 | 体积 | 型号 | |||||
| 动态 | 静态 | 参照速度 | 限制速度 | |||||||
| d | D | B | C | C0 | Pu | * - SKF Explorer 轴承 | ||||
| mm | kN | kN | r/min | kg | - | |||||
| 45 | 85 | 23 | 102 | 98 | 10,8 | 7500 | 10000 | 0,58 | 22209 E * | |
SKF 22209 E *轴承尺寸图纸

