李工:138-8949-5179 刘工:135-0428-8802
型号查询
轴承型号   常见搜索: 6009轴承 6005轴承 6028轴承 6032轴承 6305轴承 617轴承
型号查询 X

轴承专区

Bearings Center

2218 K + H 318轴承-SKF 2218 K + H 318轴承尺寸、图纸、价格

SKF 2218 K + H 318轴承

产品名称:2218 K + H 318轴承 品牌:SKF
类型:SKF轴承 > 滚动轴承 > 自调心球轴承
描述:2218 K + H 318轴承是【SKF轴承 > 滚动轴承 > 自调心球轴承】的型号,主要用在飞机喷气式发动机、油泵、变速器、机床主轴、铁路车辆车轴、起重机吊钩、燃机、精细化工机械、强夯机、坦克等各大领域

 电话/微信:138-8949-5179

SKF 2218 K + H 318轴承详细信息

2218 K + H 318轴承是【SKF轴承 > 滚动轴承 > 自调心球轴承】的型号,主要用在飞机喷气式发动机、油泵、变速器、机床主轴、铁路车辆车轴、起重机吊钩、燃机、精细化工机械、强夯机、坦克等各大领域。

SKF 2218 K + H 318轴承详细参数

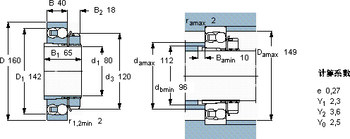
自调心球轴承, 带紧定套, 无密封件
主要数据尺寸基本负荷额定值疲劳负荷限值额定速度体积型号
动态静态参照速度限制速度轴承 + 紧定套
d1DBCC0Pu
mmkNkNr/minkg-
801604070,228,51,32750053005,502218 K + H 318

SKF 2218 K + H 318轴承尺寸图纸

李工:138-8949-5179

刘工:135-0428-8802

地址:辽宁省大连经济技术开发区现代城3栋-13-13号

在线客服系统