李工:138-8949-5179 刘工:135-0428-8802
型号查询
轴承型号   常见搜索: 2026轴承 6309轴承 6304轴承 6028轴承 6906轴承 688a轴承
型号查询 X

轴承专区

Bearings Center

2211 E-2RS1 KTN9 + H 311 C轴承-SKF 2211 E-2RS1 KTN9 + H 311 C轴承尺寸、图纸、价格

SKF 2211 E-2RS1 KTN9 + H 311 C轴承

产品名称:2211 E-2RS1 KTN9 + H 311 C轴承 品牌:SKF
类型:SKF轴承 > 滚动轴承 > 自调心球轴承
描述:2211 E-2RS1 KTN9 + H 311 C轴承是【SKF轴承 > 滚动轴承 > 自调心球轴承】的型号,主要用在各种产业机械、高频马达、燃汽轮机、前轮、轧钢机齿轮箱座、机床主轴、发电厂、钟表、混凝土机械、冶金起重机等各大领域

 电话/微信:138-8949-5179

SKF 2211 E-2RS1 KTN9 + H 311 C轴承详细信息

2211 E-2RS1 KTN9 + H 311 C轴承是【SKF轴承 > 滚动轴承 > 自调心球轴承】的型号,主要用在各种产业机械、高频马达、燃汽轮机、前轮、轧钢机齿轮箱座、机床主轴、发电厂、钟表、混凝土机械、冶金起重机等各大领域。

SKF 2211 E-2RS1 KTN9 + H 311 C轴承详细参数

自调心球轴承, 带紧定套, 两面密封件
主要数据尺寸基本负荷额定值疲劳负荷限值额定速度体积型号
动态静态参照速度限制速度轴承 + 紧定套
d1DBCC0Pu
mmkNkNr/minkg-
501002527,610,60,54-43001,102211 E-2RS1 KTN9 + H 311 C

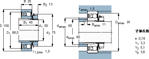
SKF 2211 E-2RS1 KTN9 + H 311 C轴承尺寸图纸

李工:138-8949-5179

刘工:135-0428-8802

地址:辽宁省大连经济技术开发区现代城3栋-13-13号

在线客服系统