李工:138-8949-5179 刘工:135-0428-8802
型号查询
轴承型号   常见搜索: 6309轴承 23136轴承 3214轴承 688a轴承 6214轴承 *轴承
型号查询 X

轴承专区

Bearings Center

2208 EKTN9 + H 308轴承-SKF 2208 EKTN9 + H 308轴承尺寸、图纸、价格

SKF 2208 EKTN9 + H 308轴承

产品名称:2208 EKTN9 + H 308轴承 品牌:SKF
类型:SKF轴承 > 滚动轴承 > 自调心球轴承
描述:2208 EKTN9 + H 308轴承是【SKF轴承 > 滚动轴承 > 自调心球轴承】的型号,主要用在各种产业机械、印刷机械、发电机、轧钢机辊颈、各类产业用减速机、制铁制钢机械、发电厂、纺织、起重机械、雷达等各大领域

 电话/微信:138-8949-5179

SKF 2208 EKTN9 + H 308轴承详细信息

2208 EKTN9 + H 308轴承是【SKF轴承 > 滚动轴承 > 自调心球轴承】的型号,主要用在各种产业机械、印刷机械、发电机、轧钢机辊颈、各类产业用减速机、制铁制钢机械、发电厂、纺织、起重机械、雷达等各大领域。

SKF 2208 EKTN9 + H 308轴承详细参数

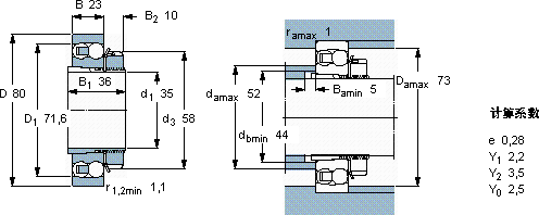
自调心球轴承, 带紧定套, 无密封件
主要数据尺寸基本负荷额定值疲劳负荷限值额定速度体积型号
动态静态参照速度限制速度轴承 + 紧定套
d1DBCC0Pu
mmkNkNr/minkg-
35802331,9100,5116000110000,582208 EKTN9 + H 308

SKF 2208 EKTN9 + H 308轴承尺寸图纸

李工:138-8949-5179

刘工:135-0428-8802

地址:辽宁省大连经济技术开发区现代城3栋-13-13号

在线客服系统