轴承专区
Bearings Center
230/670 CAK/W33 + OH 30/670 H *轴承-SKF 230/670 CAK/W33 + OH 30/670 H *轴承尺寸、图纸、价格
SKF 230/670 CAK/W33 + OH 30/670 H *轴承
| 产品名称: | 230/670 CAK/W33 + OH 30/670 H *轴承 | 品牌: | SKF |
|---|---|---|---|
| 类型: | SKF轴承 > 滚动轴承 > 球面滚子轴承 | ||
| 描述: | 230/670 CAK/W33 + OH 30/670 H *轴承是【SKF轴承 > 滚动轴承 > 球面滚子轴承】的型号,主要用在农业机械、燃汽轮机、压缩机、后轮、振动筛、石油钻机、钢铁厂、烟草机械、解体机、刮泥机等各大领域 | ||
电话/微信:138-8949-5179
SKF 230/670 CAK/W33 + OH 30/670 H *轴承详细信息
230/670 CAK/W33 + OH 30/670 H *轴承是【SKF轴承 > 滚动轴承 > 球面滚子轴承】的型号,主要用在农业机械、燃汽轮机、压缩机、后轮、振动筛、石油钻机、钢铁厂、烟草机械、解体机、刮泥机等各大领域。
SKF 230/670 CAK/W33 + OH 30/670 H *轴承详细参数
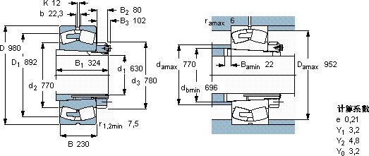
| 球面滚子轴承, 带紧定套的 | ||||||||||
| 主要数据尺寸 | 基本负荷额定值 | 疲劳负荷限值 | 额定速度 | 体积 | 型号 | |||||
| 动态 | 静态 | 参照速度 | 限制速度 | 轴承 + 紧定套 | ||||||
| d1 | D | B | C | C0 | Pu | |||||
| * - SKF Explorer 轴承 | ||||||||||
| mm | kN | kN | r/min | kg | - | |||||
| 630 | 980 | 230 | 7650 | 14600 | 915 | 340 | 600 | 755 | 230/670 CAK/W33 + OH 30/670 H * | |
SKF 230/670 CAK/W33 + OH 30/670 H *轴承尺寸图纸

