轴承专区
Bearings Center
1305 EKTN9 + H 305轴承-SKF 1305 EKTN9 + H 305轴承尺寸、图纸、价格
SKF 1305 EKTN9 + H 305轴承
| 产品名称: | 1305 EKTN9 + H 305轴承 | 品牌: | SKF |
|---|---|---|---|
| 类型: | SKF轴承 > 滚动轴承 > 自调心球轴承 | ||
| 描述: | 1305 EKTN9 + H 305轴承是【SKF轴承 > 滚动轴承 > 自调心球轴承】的型号,主要用在各种产业机械、各类变速器、中型及大型电动机、铁路车辆、破碎机、机床等的变速装置、发电厂、烟草机械、工程船舶、塔式车库等各大领域 | ||
电话/微信:138-8949-5179
SKF 1305 EKTN9 + H 305轴承详细信息
1305 EKTN9 + H 305轴承是【SKF轴承 > 滚动轴承 > 自调心球轴承】的型号,主要用在各种产业机械、各类变速器、中型及大型电动机、铁路车辆、破碎机、机床等的变速装置、发电厂、烟草机械、工程船舶、塔式车库等各大领域。
SKF 1305 EKTN9 + H 305轴承详细参数
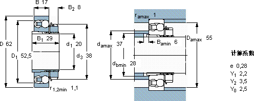
| 自调心球轴承, 带紧定套, 无密封件 | ||||||||||
| 主要数据尺寸 | 基本负荷额定值 | 疲劳负荷限值 | 额定速度 | 体积 | 型号 | |||||
| 动态 | 静态 | 参照速度 | 限制速度 | 轴承 + 紧定套 | ||||||
| d1 | D | B | C | C0 | Pu | |||||
| mm | kN | kN | r/min | kg | - | |||||
| 20 | 62 | 17 | 19 | 5,4 | 0,28 | 22000 | 15000 | 0,33 | 1305 EKTN9 + H 305 | |
SKF 1305 EKTN9 + H 305轴承尺寸图纸

