李工:138-8949-5179 刘工:135-0428-8802
型号查询
轴承型号   常见搜索: 6008轴承 6005轴承 6304轴承 2026轴承 1轴承 3214轴承
型号查询 X

轴承专区

Bearings Center

1218 K + H 218轴承-SKF 1218 K + H 218轴承尺寸、图纸、价格

SKF 1218 K + H 218轴承

产品名称:1218 K + H 218轴承 品牌:SKF
类型:SKF轴承 > 滚动轴承 > 自调心球轴承
描述:1218 K + H 218轴承是【SKF轴承 > 滚动轴承 > 自调心球轴承】的型号,主要用在各种产业机械、差速器小齿轮轴、汽车发动机、小齿轮轴、减速装置、机床等的变速装置、发电厂、陶瓷机械、压路机、雷达等各大领域

 电话/微信:138-8949-5179

SKF 1218 K + H 218轴承详细信息

1218 K + H 218轴承是【SKF轴承 > 滚动轴承 > 自调心球轴承】的型号,主要用在各种产业机械、差速器小齿轮轴、汽车发动机、小齿轮轴、减速装置、机床等的变速装置、发电厂、陶瓷机械、压路机、雷达等各大领域。

SKF 1218 K + H 218轴承详细参数

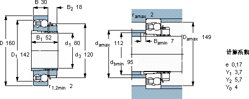
自调心球轴承, 带紧定套, 无密封件
主要数据尺寸基本负荷额定值疲劳负荷限值额定速度体积型号
动态静态参照速度限制速度轴承 + 紧定套
d1DBCC0Pu
mmkNkNr/minkg-
801603057,223,61,08850053003,501218 K + H 218

SKF 1218 K + H 218轴承尺寸图纸

李工:138-8949-5179

刘工:135-0428-8802

地址:辽宁省大连经济技术开发区现代城3栋-13-13号

在线客服系统