轴承专区
Bearings Center
HR30302J轴承-NSK HR30302J轴承尺寸、图纸、价格
NSK HR30302J轴承
| 产品名称: | HR30302J轴承 | 品牌: | NSK |
|---|---|---|---|
| 类型: | NSK轴承 > NSK通用轴承 > 圆锥滚子轴承 | ||
| 描述: | HR30302J轴承是【NSK轴承 > NSK通用轴承 > 圆锥滚子轴承】的型号,主要用在燃汽轮机、各类变速器、中型及大型电动机、铁路车辆、印刷机械、机床主轴、电机厂、烟草机械、挖掘机、抓钢机等各大领域 | ||
电话/微信:138-8949-5179
NSK HR30302J轴承详细信息
HR30302J轴承是【NSK轴承 > NSK通用轴承 > 圆锥滚子轴承】的型号,主要用在燃汽轮机、各类变速器、中型及大型电动机、铁路车辆、印刷机械、机床主轴、电机厂、烟草机械、挖掘机、抓钢机等各大领域。
NSK HR30302J轴承详细参数
| 基本参数 | |
| 型号 | HR30302J |
| 属性 | 小于17°锥角 |
| 轴承 | 30302 |
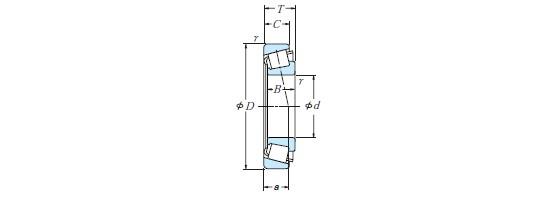
| 主要尺寸 | |
| d | 15 |
| D | 42 |
| T | 14.25 |
| B | 13 |
| C | 13 |
| r(内圈) | 11 |
| r(外圈) | 1 |
| 额定载荷 | |
| Cr(KN) | 1 |
| C0r(KN) | 23600 |
| Cr(kgf) | 21100 |
| C0r(kgf) | 2400 |
| 限制速度 | |
| Grease | 2160 |
| Oil | 9500 |
| ISO335尺寸系列 | |
| ISO335尺寸系列 | 2FB |
| 重量 | |
| kg | 0.098 |
NSK HR30302J轴承尺寸图纸

