李工:138-8949-5179 刘工:135-0428-8802
型号查询
轴承型号   常见搜索: 6016轴承 2025轴承 6002轴承 1轴承 6015轴承 6020轴承
型号查询 X

轴承专区

Bearings Center

1211 EKTN9 + H 211轴承-SKF 1211 EKTN9 + H 211轴承尺寸、图纸、价格

SKF 1211 EKTN9 + H 211轴承

产品名称:1211 EKTN9 + H 211轴承 品牌:SKF
类型:SKF轴承 > 滚动轴承 > 自调心球轴承
描述:1211 EKTN9 + H 211轴承是【SKF轴承 > 滚动轴承 > 自调心球轴承】的型号,主要用在农业机械、机床主轴、发电机、汽车、铁路车辆车轴、汽车转向销、钢铁厂、玩具、掘进机、太阳能发电设备等各大领域

 电话/微信:138-8949-5179

SKF 1211 EKTN9 + H 211轴承详细信息

1211 EKTN9 + H 211轴承是【SKF轴承 > 滚动轴承 > 自调心球轴承】的型号,主要用在农业机械、机床主轴、发电机、汽车、铁路车辆车轴、汽车转向销、钢铁厂、玩具、掘进机、太阳能发电设备等各大领域。

SKF 1211 EKTN9 + H 211轴承详细参数

自调心球轴承, 带紧定套, 无密封件
主要数据尺寸基本负荷额定值疲劳负荷限值额定速度体积型号
动态静态参照速度限制速度轴承 + 紧定套
d1DBCC0Pu
mmkNkNr/minkg-
501002127,610,60,541400090000,991211 EKTN9 + H 211

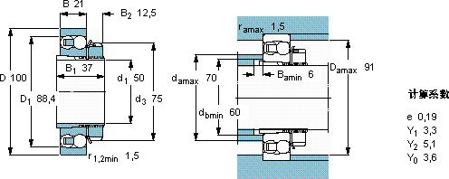
SKF 1211 EKTN9 + H 211轴承尺寸图纸

李工:138-8949-5179

刘工:135-0428-8802

地址:辽宁省大连经济技术开发区现代城3栋-13-13号

在线客服系统