李工:138-8949-5179 刘工:135-0428-8802
型号查询
轴承型号   常见搜索: 6007轴承 6214轴承 32313轴承 6012轴承 6005轴承 1轴承
型号查询 X

轴承专区

Bearings Center

1210 EKTN9 + H 210轴承-SKF 1210 EKTN9 + H 210轴承尺寸、图纸、价格

SKF 1210 EKTN9 + H 210轴承

产品名称:1210 EKTN9 + H 210轴承 品牌:SKF
类型:SKF轴承 > 滚动轴承 > 自调心球轴承
描述:1210 EKTN9 + H 210轴承是【SKF轴承 > 滚动轴承 > 自调心球轴承】的型号,主要用在仪表、罗茨鼓风机、桥式起重机、建筑机械、印刷机械、制铁制钢机械、碾煤机、陶瓷机械、堆取料机、厨具设备等各大领域

 电话/微信:138-8949-5179

SKF 1210 EKTN9 + H 210轴承详细信息

1210 EKTN9 + H 210轴承是【SKF轴承 > 滚动轴承 > 自调心球轴承】的型号,主要用在仪表、罗茨鼓风机、桥式起重机、建筑机械、印刷机械、制铁制钢机械、碾煤机、陶瓷机械、堆取料机、厨具设备等各大领域。

SKF 1210 EKTN9 + H 210轴承详细参数

自调心球轴承, 带紧定套, 无密封件
主要数据尺寸基本负荷额定值疲劳负荷限值额定速度体积型号
动态静态参照速度限制速度轴承 + 紧定套
d1DBCC0Pu
mmkNkNr/minkg-
45902026,59,150,4816000100000,771210 EKTN9 + H 210

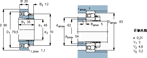
SKF 1210 EKTN9 + H 210轴承尺寸图纸

李工:138-8949-5179

刘工:135-0428-8802

地址:辽宁省大连经济技术开发区现代城3栋-13-13号

在线客服系统