李工:138-8949-5179 刘工:135-0428-8802
型号查询
轴承型号   常见搜索: 6019轴承 1轴承 6006轴承 688a轴承 6018轴承 3214轴承
型号查询 X

轴承专区

Bearings Center

1209 EKTN9 + H 209轴承-SKF 1209 EKTN9 + H 209轴承尺寸、图纸、价格

SKF 1209 EKTN9 + H 209轴承

产品名称:1209 EKTN9 + H 209轴承 品牌:SKF
类型:SKF轴承 > 滚动轴承 > 自调心球轴承
描述:1209 EKTN9 + H 209轴承是【SKF轴承 > 滚动轴承 > 自调心球轴承】的型号,主要用在后轮、燃汽轮机、汽车发动机、后轮、铁路车辆车轴、起重机吊钩、水力发电机、烟草机械、专用车、焊接机器人等各大领域

 电话/微信:138-8949-5179

SKF 1209 EKTN9 + H 209轴承详细信息

1209 EKTN9 + H 209轴承是【SKF轴承 > 滚动轴承 > 自调心球轴承】的型号,主要用在后轮、燃汽轮机、汽车发动机、后轮、铁路车辆车轴、起重机吊钩、水力发电机、烟草机械、专用车、焊接机器人等各大领域。

SKF 1209 EKTN9 + H 209轴承详细参数

自调心球轴承, 带紧定套, 无密封件
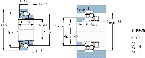
主要数据尺寸基本负荷额定值疲劳负荷限值额定速度体积型号
动态静态参照速度限制速度轴承 + 紧定套
d1DBCC0Pu
mmkNkNr/minkg-
40851922,97,80,417000110000,681209 EKTN9 + H 209

SKF 1209 EKTN9 + H 209轴承尺寸图纸

李工:138-8949-5179

刘工:135-0428-8802

地址:辽宁省大连经济技术开发区现代城3栋-13-13号

在线客服系统