李工:138-8949-5179 刘工:135-0428-8802
型号查询
轴承型号   常见搜索: 6001轴承 2025轴承 6309轴承 617轴承 6021轴承 6014轴承
型号查询 X

轴承专区

Bearings Center

11205 ETN9轴承-SKF 11205 ETN9轴承尺寸、图纸、价格

SKF 11205 ETN9轴承

产品名称:11205 ETN9轴承 品牌:SKF
类型:SKF轴承 > 滚动轴承 > 自调心球轴承
描述:11205 ETN9轴承是【SKF轴承 > 滚动轴承 > 自调心球轴承】的型号,主要用在内燃机、燃汽轮机、提升机、后轮、木工机械、石油钻机、挤压机、烟草机械、解体机、数控设备等各大领域

 电话/微信:138-8949-5179

SKF 11205 ETN9轴承详细信息

11205 ETN9轴承是【SKF轴承 > 滚动轴承 > 自调心球轴承】的型号,主要用在内燃机、燃汽轮机、提升机、后轮、木工机械、石油钻机、挤压机、烟草机械、解体机、数控设备等各大领域。

SKF 11205 ETN9轴承详细参数

自调心球轴承, 圆柱孔和圆锥孔, 宽内圈
主要数据尺寸基本负荷额定值疲劳负荷限值额定速度体积型号
动态静态参照速度限制速度
dDBCC0Pu
mmkNkNr/minkg-
25524414,340,21-80000,2211205 ETN9

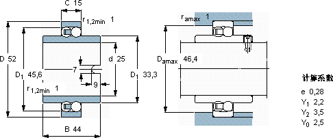
SKF 11205 ETN9轴承尺寸图纸

李工:138-8949-5179

刘工:135-0428-8802

地址:辽宁省大连经济技术开发区现代城3栋-13-13号

在线客服系统