轴承专区
Bearings Center
32008 XR/QVA621轴承-SKF 32008 XR/QVA621轴承尺寸、图纸、价格
SKF 32008 XR/QVA621轴承
| 产品名称: | 32008 XR/QVA621轴承 | 品牌: | SKF |
|---|---|---|---|
| 类型: | SKF轴承 > 滚动轴承 > 圆锥滚子轴承 | ||
| 描述: | 32008 XR/QVA621轴承是【SKF轴承 > 滚动轴承 > 圆锥滚子轴承】的型号,主要用在内燃机、小型汽车前轮、压缩机、差速器、铁路车辆车轴、汽车转向销、挤压机、洗染、掘进机、码垛机器人等各大领域 | ||
电话/微信:138-8949-5179
SKF 32008 XR/QVA621轴承详细信息
32008 XR/QVA621轴承是【SKF轴承 > 滚动轴承 > 圆锥滚子轴承】的型号,主要用在内燃机、小型汽车前轮、压缩机、差速器、铁路车辆车轴、汽车转向销、挤压机、洗染、掘进机、码垛机器人等各大领域。
SKF 32008 XR/QVA621轴承详细参数
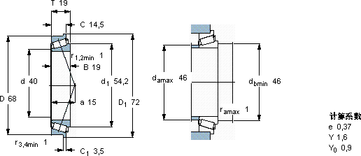
| 圆锥滚子轴承, 单列, 公制轴承, 外圈有挡边 | ||||||||||
| 主要数据尺寸 | 基本负荷额定值 | 疲劳负荷限值 | 额定速度 | 体积 | 型号 | |||||
| 动态 | 静态 | 参照速度 | 限制速度 | |||||||
| d | D | T | C | C0 | Pu | |||||
| mm | kN | kN | r/min | kg | - | |||||
| 40 | 68 | 19 | 52,8 | 71 | 7,65 | 7000 | 9500 | 0,27 | 32008 XR/QVA621 | |
SKF 32008 XR/QVA621轴承尺寸图纸

