轴承专区
Bearings Center
P321轴承-UBC P321轴承尺寸、图纸、价格
UBC P321轴承
| 产品名称: | P321轴承 | 品牌: | UBC |
|---|---|---|---|
| 类型: | UBC轴承 > 带座外球面球轴承 > 带立式座外球面球轴承 | ||
| 描述: | P321轴承是【UBC轴承 > 带座外球面球轴承 > 带立式座外球面球轴承】的型号,主要用在通用电动机、罗茨鼓风机、纺织机械传动轴、建筑机械、印刷机械、制铁制钢机械、轧钢机轧制螺杆用减速机、玩具、起重机械、机场加油机等各大领域 | ||
电话/微信:138-8949-5179
UBC P321轴承详细信息
P321轴承是【UBC轴承 > 带座外球面球轴承 > 带立式座外球面球轴承】的型号,主要用在通用电动机、罗茨鼓风机、纺织机械传动轴、建筑机械、印刷机械、制铁制钢机械、轧钢机轧制螺杆用减速机、玩具、起重机械、机场加油机等各大领域。
UBC P321轴承详细参数
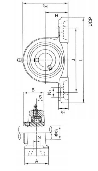
| 座 | |
| 型号 | P321 |
| d1 | |
| mm | 105 |
| 外形尺寸(mm) | |
| H | 140 |
| L | 490 |
| A | 120 |
| J | 380 |
| N | 36 |
| N1 | 50 |
| H1 | 55 |
| H2 | 278 |
| B | 112 |
| S | 44 |
| 螺栓 | |
| 规格 | M30 |
| 带座轴承 | |
| 型号 | UCP321 |
| 重量 | |
| 基本额定动载荷 Cr(N) | 183000 |
UBC P321轴承尺寸图纸

