轴承专区
Bearings Center
SSR25XV8+2500LYUP直线导轨-THK SSR25XV8+2500LYUP直线导轨尺寸、图纸、价格
THK SSR25XV8+2500LYUP直线导轨
| 产品名称: | SSR25XV8+2500LYUP直线导轨 | 品牌: | THK |
|---|---|---|---|
| 类型: | THK直线导轨 > SSR系列 | ||
| 描述: | SSR25XV8+2500LYUP导轨是【THK品牌下的SSR系列】的型号,主要用在建筑机械、各类变速器、压缩机、铁路车辆、各类产业用减速机、机床主轴、成形机、制鞋、挖掘机、港口起重机等各大领域 | ||
电话/微信:138-8949-5179
THK SSR25XV8+2500LYUP直线导轨详细信息
SSR25XV8+2500LYUP导轨是【THK品牌下的SSR系列】的型号,主要用在建筑机械、各类变速器、压缩机、铁路车辆、各类产业用减速机、机床主轴、成形机、制鞋、挖掘机、港口起重机等各大领域。
THK SSR25XV8+2500LYUP直线导轨详细参数
| 型号: | SSR25XV8+2500LYUP导轨 | 类型: | SSR |
| 滑块数: | 4 | 导轨长度(mm): | 320 |
| 宽泛型号: | SSR20XW4UU+[320-1960/1]L | 一般货期: | 4日 |
| 种类: | 标准型 | 套装产品/单件产品: | 套装产品 |
| 滑块形状: | 标准型 | 材质: | 碳素钢 |
| 导轨种类: | 标准型 | 导轨宽度 W1 (mm): | 20 |
| 安装高度 M (mm): | 28 | 组装于单轴的LM滑块数(个): | 4 |
| 钢珠排列: | 4列圆弧 | 保持器: | 有 |
| 径向间隙: | 普通 | 精度等级: | 普通级 |
| 导轨长 L (mm): | 320~1960 | 滑块外形尺寸W (mm): | 42 |
| 滑块外形尺寸L (mm): | 66.5 | 滑块安装孔: | 螺纹孔 |
| 滑块安装孔数 (个): | 4 | 安装孔尺寸S : | M5 |
| 安装孔尺寸H(φ)(mm): | - | 安装孔螺纹深度(mm) : | 8 |
| 滑块尺寸L1 (mm): | 46.6 | 防尘用标记: | 末端密封垫片 |
| 滚动体: | 滚珠 | 基本额定动负荷C (N): | 19600 |
| 基本额定静负荷 Co (N): | 23400 | 容许静力矩 MA (N*M): | 138 |
| 容许静力矩 MB (N*M): | 84.7 | 容许静力矩 MC (N*M): | 180 |
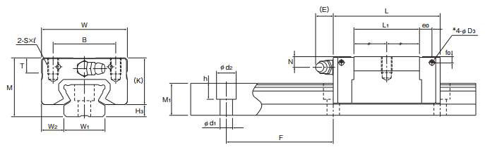
THK SSR25XV8+2500LYUP直线导轨尺寸图纸

