李工:138-8949-5179 刘工:135-0428-8802
型号查询
轴承型号   常见搜索: 6305轴承 6012轴承 6024轴承 6011轴承 6008轴承 6906轴承
型号查询 X

轴承专区

Bearings Center

SSR20XW3C1M+280LM直线导轨-THK SSR20XW3C1M+280LM直线导轨尺寸、图纸、价格

THK SSR20XW3C1M+280LM直线导轨

产品名称:SSR20XW3C1M+280LM直线导轨 品牌:THK
类型:THK直线导轨 > SSR系列
描述:SSR20XW3C1M+280LM导轨是【THK品牌下的SSR系列】的型号,主要用在建筑机械、罗茨鼓风机、汽车发动机、建筑机械、各类产业用减速机、石油钻机转环、成形机、纺织、轻工机械、泥炮等各大领域

 电话/微信:138-8949-5179

THK SSR20XW3C1M+280LM直线导轨详细信息

SSR20XW3C1M+280LM导轨是【THK品牌下的SSR系列】的型号,主要用在建筑机械、罗茨鼓风机、汽车发动机、建筑机械、各类产业用减速机、石油钻机转环、成形机、纺织、轻工机械、泥炮等各大领域。

THK SSR20XW3C1M+280LM直线导轨详细参数

型号:SSR20XW3C1M+280LM导轨类型:SSR
滑块数:8导轨长度(mm):376
宽泛型号:SSR15XV8C1M+[376-740/1]LYUPM一般货期:询价
种类:标准型套装产品/单件产品:套装产品
滑块形状:标准型材质:不锈钢
导轨种类:标准型导轨宽度 W1 (mm):15
安装高度 M (mm):24组装于单轴的LM滑块数(个):8
钢珠排列:4列圆弧保持器:
径向间隙:轻预压精度等级:超超精密级
导轨长 L (mm):376~740滑块外形尺寸W (mm):34
滑块外形尺寸L (mm):40.3滑块安装孔:螺纹孔
滑块安装孔数 (个):2安装孔尺寸S :M4
安装孔尺寸H(φ)(mm):-安装孔螺纹深度(mm) :7
滑块尺寸L1 (mm):23.3防尘用标记:-
滚动体:滚珠基本额定动负荷C (N):9100
基本额定静负荷 Co (N):9700容许静力矩 MA (N*M):30.3
容许静力矩 MB (N*M):18.9容许静力矩 MC (N*M):56.2

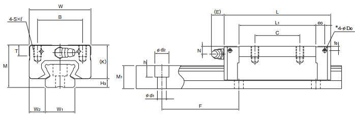
THK SSR20XW3C1M+280LM直线导轨尺寸图纸

李工:138-8949-5179

刘工:135-0428-8802

地址:辽宁省大连经济技术开发区现代城3栋-13-13号

在线客服系统