轴承专区
Bearings Center
SRS9WNC1+560LM直线导轨-THK SRS9WNC1+560LM直线导轨尺寸、图纸、价格
THK SRS9WNC1+560LM直线导轨
| 产品名称: | SRS9WNC1+560LM直线导轨 | 品牌: | THK |
|---|---|---|---|
| 类型: | THK直线导轨 > SRS系列 | ||
| 描述: | SRS9WNC1+560LM导轨是【THK品牌下的SRS系列】的型号,主要用在变速器、罗茨鼓风机、发电机、建筑机械、印刷机械、制铁制钢机械、立式电动机、精细化工机械、起重机械、正面吊等各大领域 | ||
电话/微信:138-8949-5179
THK SRS9WNC1+560LM直线导轨详细信息
SRS9WNC1+560LM导轨是【THK品牌下的SRS系列】的型号,主要用在变速器、罗茨鼓风机、发电机、建筑机械、印刷机械、制铁制钢机械、立式电动机、精细化工机械、起重机械、正面吊等各大领域。
THK SRS9WNC1+560LM直线导轨详细参数
| 型号: | SRS9WNC1+560LM导轨 | 类型: | SRS |
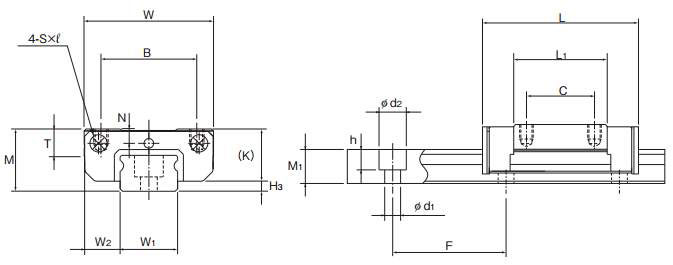
| 滑块数: | 2 | 导轨长度(mm): | 190 |
| 宽泛型号: | SRS15MUU+[115-630/1]LM | 一般货期: | 4日 |
| 种类: | 微型 | 套装产品/单件产品: | 套装产品 |
| 滑块形状: | 标准型 | 材质: | 不锈钢 |
| 导轨种类: | 标准型 | 导轨宽度 W1(mm): | 15 |
| 安装高度 M(mm): | 16 | 组装于单轴的LM滑块数(个): | 2 |
| 钢珠排列: | 标准型 | 保持器: | 有 |
| 径向间隙: | 普通 | 精度等级: | 普通级 |
| 导轨长 L(mm): | 115~630 | 滑块外形尺寸W(mm): | 32 |
| 滑块外形尺寸L(mm): | 43 | 滑块安装孔: | 螺纹孔 |
| 滑块安装孔数(个): | 4 | 安装孔尺寸S(M): | M3 |
| 安装孔螺纹深度(mm): | 3.5 | 滑块尺寸L1(mm): | 25.7 |
| 防尘用标记: | 末端密封垫片 | 滚动体: | 滚珠 |
| 基本额定动负荷C(N): | 6660 | 基本额定静负荷 Co(N): | 5700 |
| 容许静力矩 MA(N*M): | 26200 | 容许静力矩 MB(N*M): | 26200 |
| 容许静力矩 MC(N*M): | 40400 |
THK SRS9WNC1+560LM直线导轨尺寸图纸

