轴承专区
Bearings Center
SR20MSW7CS+400LSP直线导轨-THK SR20MSW7CS+400LSP直线导轨尺寸、图纸、价格
THK SR20MSW7CS+400LSP直线导轨
| 产品名称: | SR20MSW7CS+400LSP直线导轨 | 品牌: | THK |
|---|---|---|---|
| 类型: | THK直线导轨 > SR系列 | ||
| 描述: | SR20MSW7CS+400LSP导轨是【THK品牌下的SR系列】的型号,主要用在内燃机、小型汽车前轮、变速器、差速器、振动筛、耕耘机、挤压机、陶瓷机械、平地机、码垛机器人等各大领域 | ||
电话/微信:138-8949-5179
THK SR20MSW7CS+400LSP直线导轨详细信息
SR20MSW7CS+400LSP导轨是【THK品牌下的SR系列】的型号,主要用在内燃机、小型汽车前轮、变速器、差速器、振动筛、耕耘机、挤压机、陶瓷机械、平地机、码垛机器人等各大领域。
THK SR20MSW7CS+400LSP直线导轨详细参数
| 型号: | SR20MSW7CS+400LSP导轨 | 类型: | SR |
| 滑块数: | 7 | 导轨长度(mm): | 1000 |
| 宽泛型号: | SR25M1V7+[511-1000/1]LYP | 一般货期: | 98日 |
| 种类: | 标准型 | 套装产品/单件产品: | 套装产品 |
| 滑块形状: | 标准型 | 材质: | 不锈钢 |
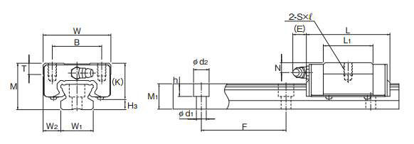
| 导轨种类: | 标准型 | 导轨宽度 W1(mm) : | 23 |
| 安装高度 M (mm): | 33 | 组装于单轴的LM滑块数(个): | 7 |
| 钢珠排列: | 4列圆弧 | 保持器: | 无 |
| 润滑装置: | 涂润滑油 | 径向间隙: | 普通 |
| 精度等级: | 精密级 | 导轨长 L (mm): | 511~1000 |
| 滑块外形尺寸W (mm): | 48 | 滑块外形尺寸L (mm): | 59.2 |
| 滑块安装孔: | 螺纹孔 | 滑块安装孔数 (个): | 2 |
| 安装孔尺寸S (M): | M6 | 安装孔尺寸H (mm): | - |
| 安装孔螺纹深度(mm) : | 9 | 滑块尺寸L1 (mm): | 35.2 |
| 滚动体: | 滚珠 | 基本额定动负荷C(N) : | 11700 |
| 基本额定静负荷 Co (N): | 22500 | 容许静力矩 MA (N*M): | 103 |
| 容许静力矩 MB (N*M): | 64.2 | 容许静力矩 MC (N*M): | 201 |
THK SR20MSW7CS+400LSP直线导轨尺寸图纸

