轴承专区
Bearings Center
SR15TB6+1360L直线导轨-THK SR15TB6+1360L直线导轨尺寸、图纸、价格
THK SR15TB6+1360L直线导轨
| 产品名称: | SR15TB6+1360L直线导轨 | 品牌: | THK |
|---|---|---|---|
| 类型: | THK直线导轨 > SR系列 | ||
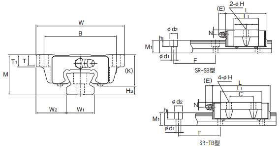
| 描述: | SR15TB6+1360L导轨是【THK品牌下的SR系列】的型号,主要用在建筑机械、各类变速器、减速装置、铁路车辆、印刷机械、机床等的变速装置、成形机、陶瓷机械、压路机、港口起重机等各大领域 | ||
电话/微信:138-8949-5179
THK SR15TB6+1360L直线导轨详细信息
SR15TB6+1360L导轨是【THK品牌下的SR系列】的型号,主要用在建筑机械、各类变速器、减速装置、铁路车辆、印刷机械、机床等的变速装置、成形机、陶瓷机械、压路机、港口起重机等各大领域。
THK SR15TB6+1360L直线导轨详细参数
| 型号: | SR15TB6+1360L导轨 | 类型: | SR |
| 滑块数: | 7 | 导轨长度(mm): | 2500 |
| 宽泛型号: | SR55W7C1+[1211-2500/1]LSP | 一般货期: | 询价 |
| 种类: | 标准型 | 套装产品/单件产品: | 套装产品 |
| 滑块形状: | 标准型 | 材质: | 碳素钢 |
| 导轨种类: | 标准型 | 导轨宽度 W1(mm) : | 48 |
| 安装高度 M (mm): | 68 | 组装于单轴的LM滑块数(个): | 7 |
| 钢珠排列: | 4列圆弧 | 保持器: | 无 |
| 润滑装置: | 涂润滑油 | 径向间隙: | 轻预压 |
| 精度等级: | 超精密级 | 导轨长 L (mm): | 1211~2500 |
| 滑块外形尺寸W (mm): | 100 | 滑块外形尺寸L (mm): | 156 |
| 滑块安装孔: | 螺纹孔 | 滑块安装孔数 (个): | 4 |
| 安装孔尺寸S (M): | M12 | 安装孔尺寸H (mm): | - |
| 安装孔螺纹深度(mm) : | 20 | 滑块尺寸L1 (mm): | 117 |
| 滚动体: | 滚珠 | 基本额定动负荷C(N) : | 89100 |
| 基本额定静负荷 Co (N): | 157000 | 容许静力矩 MA (N*M): | 2270 |
| 容许静力矩 MB (N*M): | 1390 | 容许静力矩 MC (N*M): | 2870 |
THK SR15TB6+1360L直线导轨尺寸图纸

