轴承专区
Bearings Center
SHW50CR7C1+2600LH直线导轨-THK SHW50CR7C1+2600LH直线导轨尺寸、图纸、价格
THK SHW50CR7C1+2600LH直线导轨
| 产品名称: | SHW50CR7C1+2600LH直线导轨 | 品牌: | THK |
|---|---|---|---|
| 类型: | THK直线导轨 > SHW系列 | ||
| 描述: | SHW50CR7C1+2600LH导轨是【THK品牌下的SHW系列】的型号,主要用在通用电动机、差速器小齿轮轴、挖土机履带轮、小齿轮轴、轧钢机齿轮箱座、机床等的变速装置、轧钢机轧制螺杆用减速机、精细化工机械、工程船舶、刮泥机等各大领域 | ||
电话/微信:138-8949-5179
THK SHW50CR7C1+2600LH直线导轨详细信息
SHW50CR7C1+2600LH导轨是【THK品牌下的SHW系列】的型号,主要用在通用电动机、差速器小齿轮轴、挖土机履带轮、小齿轮轴、轧钢机齿轮箱座、机床等的变速装置、轧钢机轧制螺杆用减速机、精细化工机械、工程船舶、刮泥机等各大领域。
THK SHW50CR7C1+2600LH直线导轨详细参数
| 型号: | SHW50CR7C1+2600LH导轨 | 类型: | SHW |
| 滑块数: | 1 | 导轨长度(mm): | 520 |
| 宽泛型号: | SHW27CA1+[74-2049/1]LH | 一般货期: | 98日 |
| 种类: | 标准型 | 套装产品/单件产品: | 套装产品 |
| 滑块形状: | 宽幅型 | 材质: | 碳素钢 |
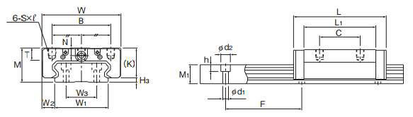
| 导轨种类: | 宽幅导轨 | 导轨宽度 W1 (mm): | 42 |
| 安装高度 M (mm): | 27 | 组装于单轴的LM滑块数(个): | 1 |
| 钢珠排列: | 4列圆弧 | 保持器: | 有 |
| 径向间隙: | 普通 | 精度等级: | 高级 |
| 导轨长 L (mm): | 74~2049 | 滑块外形尺寸W (mm): | 80 |
| 滑块外形尺寸L (mm): | 72.8 | 滑块安装孔: | 螺纹孔 |
| 滑块安装孔数 (个): | 6 | 安装孔尺寸S (M): | M6 |
| 安装孔螺纹深度 : | 贯通 | 滑块尺寸L1 (mm): | 56.6 |
| 滚动体: | 滚珠 | 基本额定动负荷C (N): | 16000 |
| 基本额定静负荷 Co (N): | 22700 | 容许静力矩 MA (N*M): | 187 |
| 容许静力矩 MB(N*M) : | 187 | 容许静力矩 MC(N*M) : | 455 |
| |
THK SHW50CR7C1+2600LH直线导轨尺寸图纸

