李工:138-8949-5179 刘工:135-0428-8802
型号查询
轴承型号   常见搜索: 6032轴承 6008轴承 6009轴承 6909轴承 6019轴承 6010轴承
型号查询 X

轴承专区

Bearings Center

SHS35LR8C1+2440LSP直线导轨-THK SHS35LR8C1+2440LSP直线导轨尺寸、图纸、价格

THK SHS35LR8C1+2440LSP直线导轨

产品名称:SHS35LR8C1+2440LSP直线导轨 品牌:THK
类型:THK直线导轨 > SHS系列
描述:SHS35LR8C1+2440LSP导轨是【THK品牌下的SHS系列】的型号,主要用在内燃机、燃料喷射泵、桥式起重机、齿轮减速装置、木工机械、石油钻机、挤压机、烟草机械、给料机械、码垛机器人等各大领域

 电话/微信:138-8949-5179

THK SHS35LR8C1+2440LSP直线导轨详细信息

SHS35LR8C1+2440LSP导轨是【THK品牌下的SHS系列】的型号,主要用在内燃机、燃料喷射泵、桥式起重机、齿轮减速装置、木工机械、石油钻机、挤压机、烟草机械、给料机械、码垛机器人等各大领域。

THK SHS35LR8C1+2440LSP直线导轨详细参数

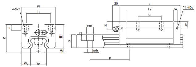
型号:SHS35LR8C1+2440LSP导轨类型:SHS
滑块数:7导轨长度(mm):1500
宽泛型号:SHS55C7+[1316-2560/1]LP一般货期:33日
种类:标准型套装产品:套装产品
滑块形状:宽幅型材质:碳素钢
导轨种类:标准型导轨宽度 W1 (mm):53
安装高度 M (mm):70组装于单轴的LM滑块数:7
钢珠排列:4列圆弧保持器:
径向间隙:普通精度等级:精密级
导轨长 L(mm) :1316~2560滑块外形尺寸W (mm):140
滑块外形尺寸L (mm):171滑块安装孔:螺纹孔
滑块安装孔数 (个):4安装孔尺寸S (M):M14
安装孔螺纹深度 (mm):贯通滑块尺寸L1 (mm):131
防尘用标记:-滚动体:滚珠
基本额定动负荷C (N):128000基本额定静负荷 Co (N):197000
容许静力矩 MA (N・m):3960容许静力矩 MB (N・m):3960
容许静力矩 MC (N・m):4900

THK SHS35LR8C1+2440LSP直线导轨尺寸图纸

李工:138-8949-5179

刘工:135-0428-8802

地址:辽宁省大连经济技术开发区现代城3栋-13-13号

在线客服系统