轴承专区
Bearings Center
SHS25V7C1+1470L直线导轨-THK SHS25V7C1+1470L直线导轨尺寸、图纸、价格
THK SHS25V7C1+1470L直线导轨
| 产品名称: | SHS25V7C1+1470L直线导轨 | 品牌: | THK |
|---|---|---|---|
| 类型: | THK直线导轨 > SHS系列 | ||
| 描述: | SHS25V7C1+1470L导轨是【THK品牌下的SHS系列】的型号,主要用在各种产业机械、各类变速器、挖土机履带轮、铁路车辆、各类产业用减速机、机床主轴、发电厂、电子、混凝土机械、塔式车库等各大领域 | ||
电话/微信:138-8949-5179
THK SHS25V7C1+1470L直线导轨详细信息
SHS25V7C1+1470L导轨是【THK品牌下的SHS系列】的型号,主要用在各种产业机械、各类变速器、挖土机履带轮、铁路车辆、各类产业用减速机、机床主轴、发电厂、电子、混凝土机械、塔式车库等各大领域。
THK SHS25V7C1+1470L直线导轨详细参数
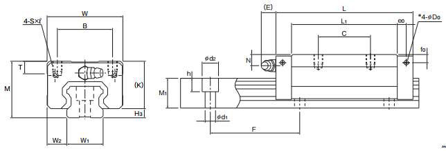
| 型号: | SHS25V7C1+1470L导轨 | 类型: | SHS |
| 滑块数: | 6 | 导轨长度(mm): | 2560 |
| 宽泛型号: | SHS55R6C1+[1128-2560/1]LP | 一般货期: | 33日 |
| 种类: | 标准型 | 套装产品: | 套装产品 |
| 滑块形状: | 标准型 | 材质: | 碳素钢 |
| 导轨种类: | 标准型 | 导轨宽度 W1 (mm): | 53 |
| 安装高度 M (mm): | 80 | 组装于单轴的LM滑块数: | 6 |
| 钢珠排列: | 4列圆弧 | 保持器: | 有 |
| 径向间隙: | 轻预压 | 精度等级: | 精密级 |
| 导轨长 L(mm) : | 1128~2560 | 滑块外形尺寸W (mm): | 100 |
| 滑块外形尺寸L (mm): | 171 | 滑块安装孔: | 螺纹孔 |
| 滑块安装孔数 (个): | 4 | 安装孔尺寸S (M): | M12 |
| 安装孔螺纹深度 (mm): | 18 | 滑块尺寸L1 (mm): | 131 |
| 防尘用标记: | - | 滚动体: | 滚珠 |
| 基本额定动负荷C (N): | 128000 | 基本额定静负荷 Co (N): | 197000 |
| 容许静力矩 MA (N・m): | 3960 | 容许静力矩 MB (N・m): | 3960 |
| 容许静力矩 MC (N・m): | 4900 |
THK SHS25V7C1+1470L直线导轨尺寸图纸

