轴承专区
Bearings Center
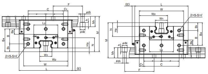
SCR65C0+2500/2500LUP直线导轨-THK SCR65C0+2500/2500LUP直线导轨尺寸、图纸、价格
THK SCR65C0+2500/2500LUP直线导轨
| 产品名称: | SCR65C0+2500/2500LUP直线导轨 | 品牌: | THK |
|---|---|---|---|
| 类型: | THK直线导轨 > SCR系列 | ||
| 描述: | SCR65C0+2500/2500LUP导轨是【THK品牌下的SCR系列】的型号,主要用在电气装置部件、空气压缩机、挖土机履带轮、大型农业机械、木工机械、汽车转向销、船舶用螺旋桨轴、医药设备、掘进机、风力发电设备等各大领域 | ||
电话/微信:138-8949-5179
THK SCR65C0+2500/2500LUP直线导轨详细信息
SCR65C0+2500/2500LUP导轨是【THK品牌下的SCR系列】的型号,主要用在电气装置部件、空气压缩机、挖土机履带轮、大型农业机械、木工机械、汽车转向销、船舶用螺旋桨轴、医药设备、掘进机、风力发电设备等各大领域。
THK SCR65C0+2500/2500LUP直线导轨详细参数
| 型号: | SCR65C0+2500/2500LUP导轨 | 类型: | SCR |
| 滑块数: | 4 | X轴轨道长度: | 1480 |
| Y型轨道长度: | 1480 | 宽泛型号: | 4SCR30C1+[576-2500/1]/[144-2500/1]LP |
| 一般货期: | 98日 | 种类: | 交叉滚动导轨 |
| 套装产品/单件产品: | 套装产品 | 滑块形状: | 标准型 |
| 材质: | 碳素钢 | 导轨种类: | 标准型 |
| 导轨宽度 W1: | 28 | 安装高度 M: | 82 |
| 组装于单轴的LM滑块数: | 4 | 钢珠排列: | 4列圆弧 |
| 保持器: | 有 | 径向间隙: | 轻预压 |
| 精度等级: | 精密级 | 导轨长 L: | 576~2500 |
| Y轴轨道长度(仅交叉滚动导轨适用): | 144~2500 | 滑块外形尺寸W: | 105 |
| 滑块外形尺寸L: | 131 | 滑块安装孔: | 螺纹孔 |
| 滑块安装孔数: | 2×5 | 安装孔尺寸S: | M6 |
| 安装孔螺纹深度: | 10 | 滑块尺寸L1: | 58 |
| 容许静力矩 Mo: | 1150 | 滚动体: | 滚珠 |
| 基本额定动负荷C: | 54200 | 基本额定静负荷 Co: | 88800 |
| 容许静力矩 MB: | 1360 |
THK SCR65C0+2500/2500LUP直线导轨尺寸图纸

