轴承专区
Bearings Center
HSR65LR2C0+3000LH直线导轨-THK HSR65LR2C0+3000LH直线导轨尺寸、图纸、价格
THK HSR65LR2C0+3000LH直线导轨
| 产品名称: | HSR65LR2C0+3000LH直线导轨 | 品牌: | THK |
|---|---|---|---|
| 类型: | THK直线导轨 > HSR系列 | ||
| 描述: | HSR65LR2C0+3000LH导轨是【THK品牌下的HSR系列】的型号,主要用在后轮、油泵、汽车发动机、机床主轴、铁路车辆车轴、石油钻机、水力发电机、啤酒、解体机、港口起重机等各大领域 | ||
电话/微信:138-8949-5179
THK HSR65LR2C0+3000LH直线导轨详细信息
HSR65LR2C0+3000LH导轨是【THK品牌下的HSR系列】的型号,主要用在后轮、油泵、汽车发动机、机床主轴、铁路车辆车轴、石油钻机、水力发电机、啤酒、解体机、港口起重机等各大领域。
THK HSR65LR2C0+3000LH直线导轨详细参数
| 型号: | HSR65LR2C0+3000LH导轨 | 类型: | HSR |
| 滑块数: | 1 | 导轨长度(mm): | 780 |
| 宽泛型号: | HSR55A1+[180-2560/1]LP | 一般货期: | 61日 |
| 种类: | 标准型 | 套装产品/单件产品: | 套装产品 |
| 滑块形状: | 宽幅型 | 材质: | 碳素钢 |
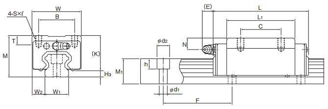
| 导轨种类: | 标准型 | 导轨宽度 W1(mm): | 53 |
| 安装高度 M(mm): | 70 | 组装于单轴的LM滑块数(个): | 1 |
| 钢珠排列: | 4列圆弧 | 保持器: | 无 |
| 润滑装置: | - | 径向间隙: | 普通 |
| 精度等级: | 精密级 | 导轨长 L(mm): | 180~2560 |
| 滑块外形尺寸W(mm): | 140 | 滑块外形尺寸L(mm): | 163 |
| 滑块安装孔: | 螺纹孔 | 滑块安装孔数(个): | 4 |
| 安装孔尺寸S(M): | M14 | 安装孔尺寸H(mm): | - |
| 安装孔螺纹深度(mm): | 贯通 | 滑块尺寸L1(mm): | 118 |
| 滚动体: | 滚珠 | 基本额定动负荷C(N): | 88500 |
| 基本额定静负荷 Co(N): | 137000 | 容许静力矩 MA(N*M): | 2450 |
| 容许静力矩 MB(N*M): | 2450 | 容许静力矩 MC(N*M): | 3200 |
THK HSR65LR2C0+3000LH直线导轨尺寸图纸

