李工:138-8949-5179 刘工:135-0428-8802
型号查询
轴承型号   常见搜索: 23136轴承 6011轴承 6015轴承 6906轴承 6309轴承 688a轴承
型号查询 X

轴承专区

Bearings Center

HSR35M1R5C1+1000LSP直线导轨-THK HSR35M1R5C1+1000LSP直线导轨尺寸、图纸、价格

THK HSR35M1R5C1+1000LSP直线导轨

产品名称:HSR35M1R5C1+1000LSP直线导轨 品牌:THK
类型:THK直线导轨 > HSR系列
描述:HSR35M1R5C1+1000LSP导轨是【THK品牌下的HSR系列】的型号,主要用在装卸搬运机械、各类变速器、纺织机械传动轴、铁路车辆、印刷机械、机床主轴、矿山、化纤机械、挖掘机、摩天轮等各大领域

 电话/微信:138-8949-5179

THK HSR35M1R5C1+1000LSP直线导轨详细信息

HSR35M1R5C1+1000LSP导轨是【THK品牌下的HSR系列】的型号,主要用在装卸搬运机械、各类变速器、纺织机械传动轴、铁路车辆、印刷机械、机床主轴、矿山、化纤机械、挖掘机、摩天轮等各大领域。

THK HSR35M1R5C1+1000LSP直线导轨详细参数

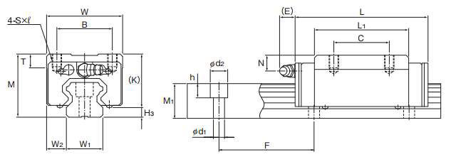
型号:HSR35M1R5C1+1000LSP导轨类型:HSR
滑块数:1导轨长度(mm):1400
宽泛型号:HSR30LR1C1M+[134-2180/1]LSPM一般货期:询价
种类:标准型套装产品/单件产品:套装产品
滑块形状:标准型材质:不锈钢
导轨种类:标准型导轨宽度 W1(mm):28
安装高度 M(mm):45组装于单轴的LM滑块数(个):1
钢珠排列:4列圆弧保持器:
润滑装置:-径向间隙:轻预压
精度等级:超精密级导轨长 L(mm):134~2180
滑块外形尺寸W(mm):60滑块外形尺寸L(mm):120.6
滑块安装孔:螺纹孔滑块安装孔数(个):4
安装孔尺寸S(M):M8安装孔尺寸H(mm):-
安装孔螺纹深度(mm):10滑块尺寸L1(mm):93
滚动体:滚珠基本额定动负荷C(N):37300
基本额定静负荷 Co(N):62500容许静力矩 MA(N*M):889
容许静力矩 MB(N*M):889容许静力矩 MC(N*M):751

THK HSR35M1R5C1+1000LSP直线导轨尺寸图纸

李工:138-8949-5179

刘工:135-0428-8802

地址:辽宁省大连经济技术开发区现代城3栋-13-13号

在线客服系统