李工:138-8949-5179 刘工:135-0428-8802
型号查询
轴承型号   常见搜索: 6030轴承 1轴承 23136轴承 7014轴承 2026轴承 617轴承
型号查询 X

轴承专区

Bearings Center

HSR30YR2C1M+840LSPM直线导轨-THK HSR30YR2C1M+840LSPM直线导轨尺寸、图纸、价格

THK HSR30YR2C1M+840LSPM直线导轨

产品名称:HSR30YR2C1M+840LSPM直线导轨 品牌:THK
类型:THK直线导轨 > HSR系列
描述:HSR30YR2C1M+840LSPM导轨是【THK品牌下的HSR系列】的型号,主要用在农业机械、机床主轴、中型及大型电动机、汽车、木工机械、耕耘机、钢铁厂、烟草机械、平地机、太阳能发电设备等各大领域

 电话/微信:138-8949-5179

THK HSR30YR2C1M+840LSPM直线导轨详细信息

HSR30YR2C1M+840LSPM导轨是【THK品牌下的HSR系列】的型号,主要用在农业机械、机床主轴、中型及大型电动机、汽车、木工机械、耕耘机、钢铁厂、烟草机械、平地机、太阳能发电设备等各大领域。

THK HSR30YR2C1M+840LSPM直线导轨详细参数

型号:HSR30YR2C1M+840LSPM导轨类型:HSR
滑块数:9导轨长度(mm):1500
宽泛型号:HSR35M1LB9C1+[1359-1500/1]L一般货期:98日
种类:标准型套装产品/单件产品:套装产品
滑块形状:宽幅型材质:不锈钢
导轨种类:标准型导轨宽度 W1(mm):34
安装高度 M(mm):48组装于单轴的LM滑块数(个):9
钢珠排列:4列圆弧保持器:
润滑装置:涂润滑油径向间隙:轻预压
精度等级:普通级导轨长 L(mm):1359~1500
滑块外形尺寸W(mm):100滑块外形尺寸L(mm):137.4
滑块安装孔:钻孔滑块安装孔数(个):4
安装孔尺寸S(M):-安装孔尺寸H(mm):9
安装孔螺纹深度(mm):贯通滑块尺寸L1(mm):105.8
滚动体:滚珠基本额定动负荷C(N):50200
基本额定静负荷 Co(N):81500容许静力矩 MA(N*M):1320
容许静力矩 MB(N*M):1320容许静力矩 MC(N*M):1200

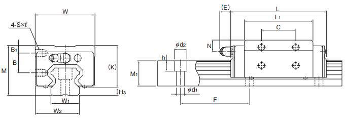
THK HSR30YR2C1M+840LSPM直线导轨尺寸图纸

李工:138-8949-5179

刘工:135-0428-8802

地址:辽宁省大连经济技术开发区现代城3栋-13-13号

在线客服系统