李工:138-8949-5179 刘工:135-0428-8802
型号查询
轴承型号   常见搜索: 6006轴承 6008轴承 6021轴承 6016轴承 6022轴承 6010轴承
型号查询 X

轴承专区

Bearings Center

HSR25LB2SS+1480L直线导轨-THK HSR25LB2SS+1480L直线导轨尺寸、图纸、价格

THK HSR25LB2SS+1480L直线导轨

产品名称:HSR25LB2SS+1480L直线导轨 品牌:THK
类型:THK直线导轨 > HSR系列
描述:HSR25LB2SS+1480L导轨是【THK品牌下的HSR系列】的型号,主要用在通用电动机、罗茨鼓风机、减速装置、建筑机械、各类产业用减速机、制铁制钢机械、轧钢机轧制螺杆用减速机、钟表、堆取料机、机场加油机等各大领域

 电话/微信:138-8949-5179

THK HSR25LB2SS+1480L直线导轨详细信息

HSR25LB2SS+1480L导轨是【THK品牌下的HSR系列】的型号,主要用在通用电动机、罗茨鼓风机、减速装置、建筑机械、各类产业用减速机、制铁制钢机械、轧钢机轧制螺杆用减速机、钟表、堆取料机、机场加油机等各大领域。

THK HSR25LB2SS+1480L直线导轨详细参数

型号:HSR25LB2SS+1480L导轨类型:HSR
滑块数:3导轨长度(mm):1240
宽泛型号:HSR20CA3C0M+[261-1480/1]LM一般货期:98日
种类:标准型套装产品/单件产品:套装产品
滑块形状:宽幅型材质:不锈钢
导轨种类:标准型导轨宽度 W1(mm):20
安装高度 M(mm):30组装于单轴的LM滑块数(个):3
钢珠排列:4列圆弧保持器:
润滑装置:-径向间隙:中预压
精度等级:普通级导轨长 L(mm):261~1480
滑块外形尺寸W(mm):63滑块外形尺寸L(mm):74
滑块安装孔:螺纹孔滑块安装孔数(个):6
安装孔尺寸S(M):M6安装孔尺寸H(mm):-
安装孔螺纹深度(mm):贯通滑块尺寸L1(mm):50.8
滚动体:滚珠基本额定动负荷C(N):13800
基本额定静负荷 Co(N):23800容许静力矩 MA(N*M):190
容许静力矩 MB(N*M):190容许静力矩 MC(N*M):201

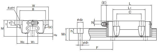
THK HSR25LB2SS+1480L直线导轨尺寸图纸

李工:138-8949-5179

刘工:135-0428-8802

地址:辽宁省大连经济技术开发区现代城3栋-13-13号

在线客服系统