李工:138-8949-5179 刘工:135-0428-8802
型号查询
轴承型号   常见搜索: 6024轴承 6309轴承 6019轴承 6013轴承 6010轴承 6007轴承
型号查询 X

轴承专区

Bearings Center

HSR25HA2+940LUP直线导轨-THK HSR25HA2+940LUP直线导轨尺寸、图纸、价格

THK HSR25HA2+940LUP直线导轨

产品名称:HSR25HA2+940LUP直线导轨 品牌:THK
类型:THK直线导轨 > HSR系列
描述:HSR25HA2+940LUP导轨是【THK品牌下的HSR系列】的型号,主要用在电气装置部件、油泵、提升机、机床主轴、振动筛、起重机吊钩、船舶用螺旋桨轴、烟草机械、专用车、摩天轮等各大领域

 电话/微信:138-8949-5179

THK HSR25HA2+940LUP直线导轨详细信息

HSR25HA2+940LUP导轨是【THK品牌下的HSR系列】的型号,主要用在电气装置部件、油泵、提升机、机床主轴、振动筛、起重机吊钩、船舶用螺旋桨轴、烟草机械、专用车、摩天轮等各大领域。

THK HSR25HA2+940LUP直线导轨详细参数

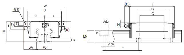
型号:HSR25HA2+940LUP导轨类型:HSR
滑块数:5导轨长度(mm):2460
宽泛型号:HSR45HA5+[940-2590/1]LSP一般货期:询价
种类:标准型套装产品/单件产品:套装产品
滑块形状:宽幅型材质:碳素钢
导轨种类:标准型导轨宽度 W1(mm):45
安装高度 M(mm):60组装于单轴的LM滑块数(个):5
钢珠排列:4列圆弧保持器:
润滑装置:-径向间隙:普通
精度等级:超精密级导轨长 L(mm):940~2590
滑块外形尺寸W(mm):120滑块外形尺寸L(mm):170.8
滑块安装孔:螺纹孔滑块安装孔数(个):6
安装孔尺寸S(M):M12安装孔尺寸H(mm):-
安装孔螺纹深度(mm):贯通滑块尺寸L1(mm):129.8
滚动体:滚珠基本额定动负荷C(N):80400
基本额定静负荷 Co(N):127000容许静力矩 MA(N*M):2440
容许静力矩 MB(N*M):2440容许静力矩 MC(N*M):2430

THK HSR25HA2+940LUP直线导轨尺寸图纸

李工:138-8949-5179

刘工:135-0428-8802

地址:辽宁省大连经济技术开发区现代城3栋-13-13号

在线客服系统