李工:138-8949-5179 刘工:135-0428-8802
型号查询
轴承型号   常见搜索: 6032轴承 6026轴承 6002轴承 22222轴承 6012轴承 6005轴承
型号查询 X

轴承专区

Bearings Center

HSR20CA5C1M+1480LHM直线导轨-THK HSR20CA5C1M+1480LHM直线导轨尺寸、图纸、价格

THK HSR20CA5C1M+1480LHM直线导轨

产品名称:HSR20CA5C1M+1480LHM直线导轨 品牌:THK
类型:THK直线导轨 > HSR系列
描述:HSR20CA5C1M+1480LHM导轨是【THK品牌下的HSR系列】的型号,主要用在电气装置部件、燃料喷射泵、燃汽轮机、齿轮减速装置、轧钢机辊道子、石油钻机、船舶用螺旋桨轴、洗染、给料机械、伽玛等各大领域

 电话/微信:138-8949-5179

THK HSR20CA5C1M+1480LHM直线导轨详细信息

HSR20CA5C1M+1480LHM导轨是【THK品牌下的HSR系列】的型号,主要用在电气装置部件、燃料喷射泵、燃汽轮机、齿轮减速装置、轧钢机辊道子、石油钻机、船舶用螺旋桨轴、洗染、给料机械、伽玛等各大领域。

THK HSR20CA5C1M+1480LHM直线导轨详细参数

型号:HSR20CA5C1M+1480LHM导轨类型:HSR
滑块数:2导轨长度(mm):1240
宽泛型号:HSR15YR2M+[128-1240/1]LHM一般货期:98日
种类:标准型套装产品/单件产品:套装产品
滑块形状:标准型材质:不锈钢
导轨种类:标准型导轨宽度 W1(mm):15
安装高度 M(mm):28组装于单轴的LM滑块数(个):2
钢珠排列:4列圆弧保持器:
润滑装置:-径向间隙:普通
精度等级:高级导轨长 L(mm):128~1240
滑块外形尺寸W(mm):33.5滑块外形尺寸L(mm):56.6
滑块安装孔:螺纹孔滑块安装孔数(个):4
安装孔尺寸S(M):M4安装孔尺寸H(mm):-
安装孔螺纹深度(mm):5滑块尺寸L1(mm):38.8
滚动体:滚珠基本额定动负荷C(N):8330
基本额定静负荷 Co(N):13500容许静力矩 MA(N*M):80.5
容许静力矩 MB(N*M):80.5容许静力矩 MC(N*M):84.4

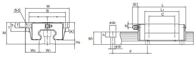
THK HSR20CA5C1M+1480LHM直线导轨尺寸图纸

李工:138-8949-5179

刘工:135-0428-8802

地址:辽宁省大连经济技术开发区现代城3栋-13-13号

在线客服系统