轴承专区
Bearings Center
HSR15M1A1+500LP直线导轨-THK HSR15M1A1+500LP直线导轨尺寸、图纸、价格
THK HSR15M1A1+500LP直线导轨
| 产品名称: | HSR15M1A1+500LP直线导轨 | 品牌: | THK |
|---|---|---|---|
| 类型: | THK直线导轨 > HSR系列 | ||
| 描述: | HSR15M1A1+500LP导轨是【THK品牌下的HSR系列】的型号,主要用在飞机喷气式发动机、油泵、桥式起重机、机床主轴、造纸机械、起重机吊钩、燃机、薄膜拉伸、强夯机、坦克等各大领域 | ||
电话/微信:138-8949-5179
THK HSR15M1A1+500LP直线导轨详细信息
HSR15M1A1+500LP导轨是【THK品牌下的HSR系列】的型号,主要用在飞机喷气式发动机、油泵、桥式起重机、机床主轴、造纸机械、起重机吊钩、燃机、薄膜拉伸、强夯机、坦克等各大领域。
THK HSR15M1A1+500LP直线导轨详细参数
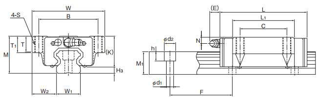
| 型号: | HSR15M1A1+500LP导轨 | 类型: | HSR |
| 滑块数: | 4 | 导轨长度(mm): | 1100 |
| 宽泛型号: | HSR25HB4C1M+[464-1100/1]LPM | 一般货期: | 98日 |
| 种类: | 标准型 | 套装产品/单件产品: | 套装产品 |
| 滑块形状: | 宽幅型 | 材质: | 不锈钢 |
| 导轨种类: | 标准型 | 导轨宽度 W1(mm): | 23 |
| 安装高度 M(mm): | 36 | 组装于单轴的LM滑块数(个): | 4 |
| 钢珠排列: | 4列圆弧 | 保持器: | 无 |
| 润滑装置: | - | 径向间隙: | 轻预压 |
| 精度等级: | 精密级 | 导轨长 L(mm): | 464~1100 |
| 滑块外形尺寸W(mm): | 70 | 滑块外形尺寸L(mm): | 102.2 |
| 滑块安装孔: | 钻孔 | 滑块安装孔数(个): | 6 |
| 安装孔尺寸S(M): | - | 安装孔尺寸H(mm): | 7 |
| 安装孔螺纹深度(mm): | 贯通 | 滑块尺寸L1(mm): | 78.6 |
| 滚动体: | 滚珠 | 基本额定动负荷C(N): | 27200 |
| 基本额定静负荷 Co(N): | 45900 | 容许静力矩 MA(N*M): | 529 |
| 容许静力矩 MB(N*M): | 529 | 容许静力矩 MC(N*M): | 459 |
THK HSR15M1A1+500LP直线导轨尺寸图纸

