轴承专区
Bearings Center
HRW35CR2C1+280LP直线导轨-THK HRW35CR2C1+280LP直线导轨尺寸、图纸、价格
THK HRW35CR2C1+280LP直线导轨
| 产品名称: | HRW35CR2C1+280LP直线导轨 | 品牌: | THK |
|---|---|---|---|
| 类型: | THK直线导轨 > HRW系列 | ||
| 描述: | HRW35CR2C1+280LP导轨是【THK品牌下的HRW系列】的型号,主要用在各种产业机械、差速器小齿轮轴、泵、小齿轮轴、印刷机械、机床等的变速装置、发电厂、烟草机械、压路机、雷达等各大领域 | ||
电话/微信:138-8949-5179
THK HRW35CR2C1+280LP直线导轨详细信息
HRW35CR2C1+280LP导轨是【THK品牌下的HRW系列】的型号,主要用在各种产业机械、差速器小齿轮轴、泵、小齿轮轴、印刷机械、机床等的变速装置、发电厂、烟草机械、压路机、雷达等各大领域。
THK HRW35CR2C1+280LP直线导轨详细参数
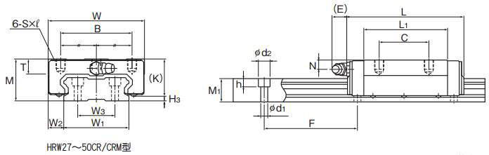
| 型号: | HRW35CR2C1+280LP导轨 | 类型: | HRW |
| 滑块数: | 1 | 导轨长度(mm): | 500 |
| 宽泛型号: | HRW21CA1C1M+[72-500/1]LPM | 一般货期: | 98日 |
| 种类: | 标准型 | 套装产品/单件产品: | 套装产品 |
| 滑块形状: | 宽幅型 | 材质: | 不锈钢 |
| 导轨种类: | 宽幅导轨 | 导轨宽度 W1(mm): | 37 |
| 安装高度 M(mm): | 21 | 组装于单轴的LM滑块数(个): | 1 |
| 钢珠排列: | 4列圆弧 | 保持器: | 无 |
| 润滑装置: | 涂润滑油 | 径向间隙: | 轻预压 |
| 精度等级: | 精密级 | 导轨长 L(mm): | 72~500 |
| 滑块外形尺寸W(mm): | 68 | 滑块外形尺寸L(mm): | 58.8 |
| 滑块安装孔: | 螺纹孔 | 滑块安装孔数(个): | 6 |
| 安装孔尺寸S(M): | M5 | 安装孔螺纹深度(mm): | 贯通 |
| 滑块尺寸L1(mm): | 40 | 滚动体: | 滚珠 |
| 基本额定动负荷C(N): | 6180 | 基本额定静负荷 Co(N): | 11500 |
| 容许静力矩 MB(N*M): | 70.1 | 容许静力矩 MC(N*M): | 194 |
| |
THK HRW35CR2C1+280LP直线导轨尺寸图纸

