轴承专区
Bearings Center
HRW21CA9M+730LHM直线导轨-THK HRW21CA9M+730LHM直线导轨尺寸、图纸、价格
THK HRW21CA9M+730LHM直线导轨
| 产品名称: | HRW21CA9M+730LHM直线导轨 | 品牌: | THK |
|---|---|---|---|
| 类型: | THK直线导轨 > HRW系列 | ||
| 描述: | HRW21CA9M+730LHM导轨是【THK品牌下的HRW系列】的型号,主要用在飞机喷气式发动机、机床主轴、木工机械、汽车、轧钢机辊道子、耕耘机、燃机、洗染、地基处理机械、坦克等各大领域 | ||
电话/微信:138-8949-5179
THK HRW21CA9M+730LHM直线导轨详细信息
HRW21CA9M+730LHM导轨是【THK品牌下的HRW系列】的型号,主要用在飞机喷气式发动机、机床主轴、木工机械、汽车、轧钢机辊道子、耕耘机、燃机、洗染、地基处理机械、坦克等各大领域。
THK HRW21CA9M+730LHM直线导轨详细参数
| 型号: | HRW21CA9M+730LHM导轨 | 类型: | HRW |
| 滑块数: | 6 | 导轨长度(mm): | 1500 |
| 宽泛型号: | HRW60CA6+[1056-1500/1]LSP | 一般货期: | 询价 |
| 种类: | 标准型 | 套装产品/单件产品: | 套装产品 |
| 滑块形状: | 宽幅型 | 材质: | 碳素钢 |
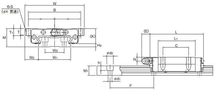
| 导轨种类: | 宽幅导轨 | 导轨宽度 W1(mm): | 120 |
| 安装高度 M(mm): | 60 | 组装于单轴的LM滑块数(个): | 6 |
| 钢珠排列: | 4列圆弧 | 保持器: | 无 |
| 润滑装置: | 涂润滑油 | 径向间隙: | 普通 |
| 精度等级: | 超精密级 | 导轨长 L(mm): | 1056~1500 |
| 滑块外形尺寸W(mm): | 200 | 滑块外形尺寸L(mm): | 158.9 |
| 滑块安装孔: | 螺纹孔 | 滑块安装孔数(个): | 6 |
| 安装孔尺寸S(M): | M12 | 安装孔螺纹深度(mm): | 贯通 |
| 滑块尺寸L1(mm): | 117.5 | 滚动体: | 滚珠 |
| 基本额定动负荷C(N): | 63800 | 基本额定静负荷 Co(N): | 102000 |
| 容许静力矩 MB(N*M): | 1760 | 容许静力矩 MC(N*M): | 5760 |
| |
THK HRW21CA9M+730LHM直线导轨尺寸图纸

