轴承专区
Bearings Center
CSR30C1+1400/1400LUP直线导轨-THK CSR30C1+1400/1400LUP直线导轨尺寸、图纸、价格
THK CSR30C1+1400/1400LUP直线导轨
| 产品名称: | CSR30C1+1400/1400LUP直线导轨 | 品牌: | THK |
|---|---|---|---|
| 类型: | THK直线导轨 > CSR系列 | ||
| 描述: | CSR30C1+1400/1400LUP导轨是【THK品牌下的CSR系列】的型号,主要用在农业机械、空气压缩机、变速器、大型农业机械、振动筛、耕耘机、钢铁厂、塑料、平地机、刮泥机等各大领域 | ||
电话/微信:138-8949-5179
THK CSR30C1+1400/1400LUP直线导轨详细信息
CSR30C1+1400/1400LUP导轨是【THK品牌下的CSR系列】的型号,主要用在农业机械、空气压缩机、变速器、大型农业机械、振动筛、耕耘机、钢铁厂、塑料、平地机、刮泥机等各大领域。
THK CSR30C1+1400/1400LUP直线导轨详细参数
| 型号: | CSR30C1+1400/1400LUP导轨 | 类型: | CSR |
| 滑块数: | 1 | X轴导轨型号: | CSR35+920LUP |
| X轴轨道长度: | 920 | Y轴导轨型号: | CSR35+920LUP |
| Y轴轨道长度: | 920 | 宽泛型号: | CSR35C0+[148-3000/1]/[148-3000/1]LUP |
| 交货时间: | 98日 | 种类: | 交叉滚动导轨 |
| 套装产品/单件产品: | 套装产品 | 滑块形状: | 标准型 |
| 材质: | 碳素钢 | 导轨种类: | 标准型 |
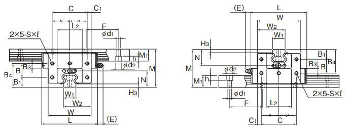
| 导轨宽度 W1(mm): | 34 | 安装高度 M(mm): | 95 |
| 组装于单轴的LM滑块数: | 1 | 钢珠排列: | 4列圆弧 |
| 保持器: | 无 | 润滑装置: | 涂润滑油 |
| 径向间隙: | 中预压 | 精度等级: | 超超精密级 |
| 导轨长 L(mm): | 148~3000 | Y轴轨道长度(仅交叉滚动导轨适用)(mm): | 148~3000 |
| 滑块外形尺寸W(mm): | 105.8 | 滑块外形尺寸L(mm): | 134.8 |
| 滑块安装孔: | 螺纹孔 | 滑块安装孔数(个): | 2×5 |
| 安装孔尺寸S(M): | M8 | 安装孔螺纹深度(mm): | 14 |
| 容许静力矩 Mo(N*M): | 1200 | X轴LM轨道螺孔类型标记: | 无 |
| X轴LM轨道表面处理: | 无 | 滚动体: | 滚珠 |
| 基本额定动负荷C(N): | 50200 | 基本额定静负荷 Co(N): | 81500 |
THK CSR30C1+1400/1400LUP直线导轨尺寸图纸

