李工:138-8949-5179 刘工:135-0428-8802
型号查询
轴承型号   常见搜索: 6012轴承 32313轴承 23136轴承 6304轴承 6906轴承 6019轴承
型号查询 X

轴承专区

Bearings Center

2HR4085+1860LUP直线导轨-THK 2HR4085+1860LUP直线导轨尺寸、图纸、价格

THK 2HR4085+1860LUP直线导轨

产品名称:2HR4085+1860LUP直线导轨 品牌:THK
类型:THK直线导轨 > HR系列
描述:2HR4085+1860LUP导轨是【THK品牌下的HR系列】的型号,主要用在电气装置部件、油泵、压缩机、机床主轴、造纸机械、石油钻机、船舶用螺旋桨轴、塑料、解体机、摩天轮等各大领域

 电话/微信:138-8949-5179

THK 2HR4085+1860LUP直线导轨详细信息

2HR4085+1860LUP导轨是【THK品牌下的HR系列】的型号,主要用在电气装置部件、油泵、压缩机、机床主轴、造纸机械、石油钻机、船舶用螺旋桨轴、塑料、解体机、摩天轮等各大领域。

THK 2HR4085+1860LUP直线导轨详细参数

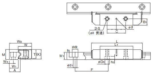
型号:2HR4085+1860LUP导轨类型:HR
滑块数:9导轨长度(mm):2484
宽泛型号:9HR50105T+[2484-3000/1]LP一般货期:98日
种类:分离套装产品/单件产品:套装产品
滑块形状:标准型材质:碳素钢
导轨种类:标准型导轨宽度 W1(mm):42
安装高度 M(mm):50组装于单轴的LM滑块数(个):9
钢珠排列:4列圆弧保持器:
润滑装置:涂润滑油精度等级:精密级
导轨长 L(mm):2484~3000滑块外形尺寸W(mm):63.4
滑块外形尺寸L(mm):274.5滑块安装孔:螺纹孔
滑块安装孔数(个):2安装孔尺寸S(M):M16
安装孔螺纹深度:贯通滑块尺寸L1(mm):197.5
滚动体:滚珠基本额定动负荷C(N):96000
基本额定静负荷 Co(N):143000容许静力矩 MA(N*M):8740
容许静力矩 MB(N*M):.8.74

THK 2HR4085+1860LUP直线导轨尺寸图纸

李工:138-8949-5179

刘工:135-0428-8802

地址:辽宁省大连经济技术开发区现代城3栋-13-13号

在线客服系统