李工:138-8949-5179 刘工:135-0428-8802
型号查询
轴承型号   常见搜索: 6006轴承 23136轴承 6009轴承 688a轴承 22222轴承 6909轴承
型号查询 X

轴承专区

Bearings Center

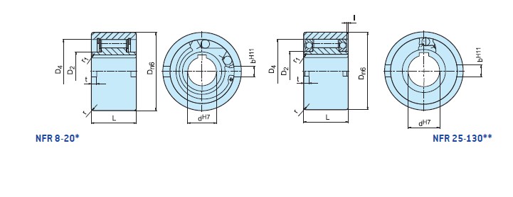
NFR8轴承-STIEBER NFR8轴承尺寸、图纸、价格

STIEBER NFR8轴承

产品名称:NFR8轴承 品牌:STIEBER
类型:STIEBER轴承 > Stieber-NFR
描述:NFR8轴承是【STIEBER轴承 > Stieber-NFR】的型号

 电话/微信:138-8949-5179

李工:138-8949-5179

刘工:135-0428-8802

地址:辽宁省大连经济技术开发区现代城3栋-13-13号

在线客服系统