轴承专区
Bearings Center
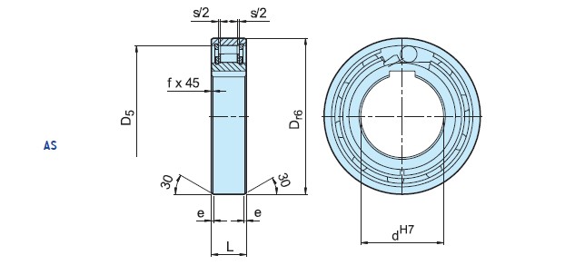
AS25轴承-STIEBER AS25轴承尺寸、图纸、价格
STIEBER AS25轴承
| 产品名称: | AS25轴承 | 品牌: | STIEBER |
|---|---|---|---|
| 类型: | STIEBER轴承 > Stieber-ASNU | ||
| 描述: | AS25轴承是【STIEBER轴承 > Stieber-ASNU】的型号 | ||
电话/微信:138-8949-5179
STIEBER AS25轴承详细信息
AS25轴承是【STIEBER轴承 > Stieber-ASNU】的型号。
STIEBER AS25轴承详细参数
| 轴承型号 | AS25轴承 |
| 类型 | Stieber-AS系列 |
| 内径 | 25 |
| 外径 | 52 |
| 厚度 | 15 |
| 扭矩 | 56 |
| 内圈转速 | 1900 |
| 外圈转速 | 2900 |
| 外圈内径 | 45.9 |
| 内圈外径 | |
| 键槽宽 | |
| 键槽深 | |
| 滚子位移 | 2.4 | <
STIEBER AS25轴承尺寸图纸

