轴承专区
Bearings Center
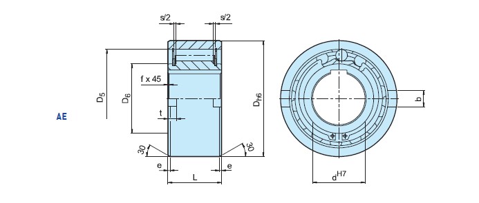
AE50轴承-STIEBER AE50轴承尺寸、图纸、价格
STIEBER AE50轴承
| 产品名称: | AE50轴承 | 品牌: | STIEBER |
|---|---|---|---|
| 类型: | STIEBER轴承 > Stieber-ASNU | ||
| 描述: | AE50轴承是【STIEBER轴承 > Stieber-ASNU】的型号 | ||
电话/微信:138-8949-5179
STIEBER AE50轴承详细信息
AE50轴承是【STIEBER轴承 > Stieber-ASNU】的型号。
STIEBER AE50轴承详细参数
| 轴承型号 | AE50轴承 |
| 类型 | Stieber-AE系列 |
| 内径 | 50 |
| 外径 | 130 |
| 厚度 | 63 |
| 扭矩 | 2150 |
| 内圈转速 | 950 |
| 外圈转速 | 1300 |
| 外圈内径 | 110 |
| 内圈外径 | 75 |
| 键槽宽 | 17 |
| 键槽深 | 8 |
| 滚子位移 | 5.8 | <
STIEBER AE50轴承尺寸图纸

