轴承专区
Bearings Center
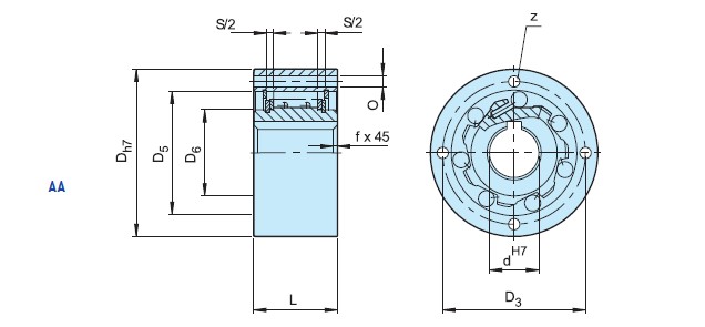
AA35轴承-STIEBER AA35轴承尺寸、图纸、价格
STIEBER AA35轴承
| 产品名称: | AA35轴承 | 品牌: | STIEBER |
|---|---|---|---|
| 类型: | STIEBER轴承 > Stieber-AA | ||
| 描述: | AA35轴承是【STIEBER轴承 > Stieber-AA】的型号 | ||
电话/微信:138-8949-5179
STIEBER AA35轴承详细信息
AA35轴承是【STIEBER轴承 > Stieber-AA】的型号。
STIEBER AA35轴承详细参数
| 轴承型号 | AA35轴承 |
| 类型 | Stieber-AA系列 |
| 内径 | 35 |
| 外径 | 110 |
| 厚度 | 48 |
| 扭矩 | 720 |
| 内圈转速 | 1300 |
| 外圈转速 | 1950 |
| 外圈内径 | 80 |
| 内圈外径 | 55 |
| 光孔中心距 | 96 |
| 孔边距 | 6 |
| 光孔直径 | 6.6 |
STIEBER AA35轴承尺寸图纸

