轴承专区
Bearings Center
YET 208/VL065轴承-SKF YET 208/VL065轴承尺寸、图纸、价格
SKF YET 208/VL065轴承
| 产品名称: | YET 208/VL065轴承 | 品牌: | SKF |
|---|---|---|---|
| 类型: | SKF轴承 > 滚动轴承 > Y-轴承 | ||
| 描述: | YET 208/VL065轴承是【SKF轴承 > 滚动轴承 > Y-轴承】的型号,主要用在农业机械、小型汽车前轮、纺织机械传动轴、差速器、振动筛、汽车转向销、钢铁厂、啤酒、掘进机、机场加油机等各大领域 | ||
电话/微信:138-8949-5179
SKF YET 208/VL065轴承详细信息
YET 208/VL065轴承是【SKF轴承 > 滚动轴承 > Y-轴承】的型号,主要用在农业机械、小型汽车前轮、纺织机械传动轴、差速器、振动筛、汽车转向销、钢铁厂、啤酒、掘进机、机场加油机等各大领域。
SKF YET 208/VL065轴承详细参数
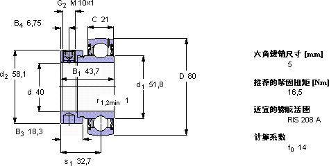
| Y-轴承, 带偏心锁定环的, YET 2-VL065 | ||||||||||
| 主要数据尺寸 | 基本负荷额定值 | 疲劳负荷限值 | 限制速度 | 体积 | 型号 | |||||
| 动态 | 静态 | |||||||||
| d | D | B1 (B) | C | C | C0 | Pu | 用于轴公差h6 | |||
| mm | kN | kN | r/min | kg | - | |||||
| 40 | 80 | 43,7 | 21 | 30,7 | 19 | 0,8 | 4800 | 0,59 | YET 208/VL065 | |
SKF YET 208/VL065轴承尺寸图纸

