李工:138-8949-5179 刘工:135-0428-8802
型号查询
轴承型号   常见搜索: 6011轴承 71913轴承 6003轴承 6015轴承 6019轴承 32313轴承
型号查询 X

轴承专区

Bearings Center

YAR 207-2RF/VE495轴承-SKF YAR 207-2RF/VE495轴承尺寸、图纸、价格

SKF YAR 207-2RF/VE495轴承

产品名称:YAR 207-2RF/VE495轴承 品牌:SKF
类型:SKF轴承 > 滚动轴承 > Y-轴承
描述:YAR 207-2RF/VE495轴承是【SKF轴承 > 滚动轴承 > Y-轴承】的型号,主要用在电气装置部件、燃料喷射泵、泵、齿轮减速装置、轧钢机辊道子、起重机吊钩、船舶用螺旋桨轴、薄膜拉伸、强夯机、伽玛等各大领域

 电话/微信:138-8949-5179

SKF YAR 207-2RF/VE495轴承详细信息

YAR 207-2RF/VE495轴承是【SKF轴承 > 滚动轴承 > Y-轴承】的型号,主要用在电气装置部件、燃料喷射泵、泵、齿轮减速装置、轧钢机辊道子、起重机吊钩、船舶用螺旋桨轴、薄膜拉伸、强夯机、伽玛等各大领域。

SKF YAR 207-2RF/VE495轴承详细参数

Y-轴承, 带平头螺钉锁定的, YAR 2-2RF/VE495
主要数据尺寸基本负荷额定值疲劳负荷限值限制速度体积型号
动态静态
dDBCCC0Pu用于轴公差h6
mmkNkNr/minkg-
357242,91925,515,30,65532000,42YAR 207-2RF/VE495

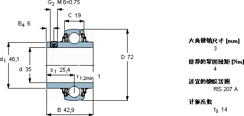
SKF YAR 207-2RF/VE495轴承尺寸图纸

李工:138-8949-5179

刘工:135-0428-8802

地址:辽宁省大连经济技术开发区现代城3栋-13-13号

在线客服系统