李工:138-8949-5179 刘工:135-0428-8802
型号查询
轴承型号   常见搜索: 617轴承 6026轴承 6015轴承 688a轴承 2026轴承 6017轴承
型号查询 X

轴承专区

Bearings Center

W 628/6-2ZR轴承-SKF W 628/6-2ZR轴承尺寸、图纸、价格

SKF W 628/6-2ZR轴承

产品名称:W 628/6-2ZR轴承 品牌:SKF
类型:SKF轴承 > 滚动轴承 > 深沟球轴承
描述:W 628/6-2ZR轴承是【SKF轴承 > 滚动轴承 > 深沟球轴承】的型号,主要用在内燃机、小型汽车前轮、泵、差速器、造纸机械、耕耘机、挤压机、音像设备、地基处理机械、码垛机器人等各大领域

 电话/微信:138-8949-5179

SKF W 628/6-2ZR轴承详细信息

W 628/6-2ZR轴承是【SKF轴承 > 滚动轴承 > 深沟球轴承】的型号,主要用在内燃机、小型汽车前轮、泵、差速器、造纸机械、耕耘机、挤压机、音像设备、地基处理机械、码垛机器人等各大领域。

SKF W 628/6-2ZR轴承详细参数

深沟球轴承, 单列,不锈钢,带法兰, 两面防尘罩
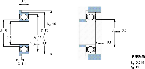
主要数据尺寸基本负荷额定值疲劳负荷限值额定速度体积型号
动态静态参照速度限制速度
dDD3BCCC0Pu
mmkNkNr/minkg-
6131551,10,7410,3350,015110000530000,0025W 628/6-2ZR

SKF W 628/6-2ZR轴承尺寸图纸

李工:138-8949-5179

刘工:135-0428-8802

地址:辽宁省大连经济技术开发区现代城3栋-13-13号

在线客服系统