李工:138-8949-5179 刘工:135-0428-8802
型号查询
轴承型号   常见搜索: 3214轴承 6001轴承 32313轴承 6018轴承 6030轴承 6309轴承
型号查询 X

轴承专区

Bearings Center

W 38轴承-SKF W 38轴承尺寸、图纸、价格

SKF W 38轴承

产品名称:W 38轴承 品牌:SKF
类型:SKF轴承 > 滚动轴承 > 轴承附件
描述:W 38轴承是【SKF轴承 > 滚动轴承 > 轴承附件】的型号,主要用在内燃机、油泵、挖土机履带轮、机床主轴、造纸机械、起重机吊钩、挤压机、钟表、专用车、抓钢机等各大领域

 电话/微信:138-8949-5179

SKF W 38轴承详细信息

W 38轴承是【SKF轴承 > 滚动轴承 > 轴承附件】的型号,主要用在内燃机、油泵、挖土机履带轮、机床主轴、造纸机械、起重机吊钩、挤压机、钟表、专用车、抓钢机等各大领域。

SKF W 38轴承详细参数

W锁紧垫圈, 英制尺寸
尺寸体积型号
锁紧垫圈适宜的锁定螺母
dd2B
mmkg-
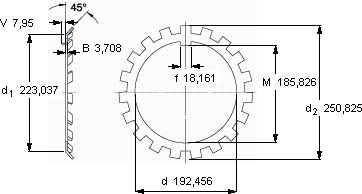
192,456250,8253,7080,458W 38AN 38

SKF W 38轴承尺寸图纸

李工:138-8949-5179

刘工:135-0428-8802

地址:辽宁省大连经济技术开发区现代城3栋-13-13号

在线客服系统