李工:138-8949-5179 刘工:135-0428-8802
型号查询
轴承型号   常见搜索: 6016轴承 6007轴承 71913轴承 3214轴承 6012轴承 6024轴承
型号查询 X

轴承专区

Bearings Center

W 18轴承-SKF W 18轴承尺寸、图纸、价格

SKF W 18轴承

产品名称:W 18轴承 品牌:SKF
类型:SKF轴承 > 滚动轴承 > 轴承附件
描述:W 18轴承是【SKF轴承 > 滚动轴承 > 轴承附件】的型号,主要用在燃汽轮机、各类变速器、纺织机械传动轴、铁路车辆、各类产业用减速机、机床主轴、电机厂、塑料、混凝土机械、抓钢机等各大领域

 电话/微信:138-8949-5179

SKF W 18轴承详细信息

W 18轴承是【SKF轴承 > 滚动轴承 > 轴承附件】的型号,主要用在燃汽轮机、各类变速器、纺织机械传动轴、铁路车辆、各类产业用减速机、机床主轴、电机厂、塑料、混凝土机械、抓钢机等各大领域。

SKF W 18轴承详细参数

W锁紧垫圈, 英制尺寸
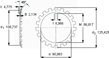
尺寸体积型号
锁紧垫圈适宜的锁定螺母
dd2B
mmkg-
90,983125,4252,1340,07W 18AN 18

SKF W 18轴承尺寸图纸

李工:138-8949-5179

刘工:135-0428-8802

地址:辽宁省大连经济技术开发区现代城3栋-13-13号

在线客服系统