李工:138-8949-5179 刘工:135-0428-8802
型号查询
轴承型号   常见搜索: 6030轴承 22222轴承 6026轴承 6013轴承 6017轴承 6002轴承
型号查询 X

轴承专区

Bearings Center

W 06轴承-SKF W 06轴承尺寸、图纸、价格

SKF W 06轴承

产品名称:W 06轴承 品牌:SKF
类型:SKF轴承 > 滚动轴承 > 轴承附件
描述:W 06轴承是【SKF轴承 > 滚动轴承 > 轴承附件】的型号,主要用在变速器、各类变速器、中型及大型电动机、铁路车辆、印刷机械、机床等的变速装置、立式电动机、电子、工程船舶、机械手等各大领域

 电话/微信:138-8949-5179

SKF W 06轴承详细信息

W 06轴承是【SKF轴承 > 滚动轴承 > 轴承附件】的型号,主要用在变速器、各类变速器、中型及大型电动机、铁路车辆、印刷机械、机床等的变速装置、立式电动机、电子、工程船舶、机械手等各大领域。

SKF W 06轴承详细参数

W锁紧垫圈, 英制尺寸
尺寸体积型号
锁紧垫圈适宜的锁定螺母
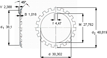
dd2B
mmkg-
30,30248,8191,0160,008W 06N 06

SKF W 06轴承尺寸图纸

李工:138-8949-5179

刘工:135-0428-8802

地址:辽宁省大连经济技术开发区现代城3栋-13-13号

在线客服系统