轴承专区
Bearings Center
TUJ 40 TF轴承-SKF TUJ 40 TF轴承尺寸、图纸、价格
SKF TUJ 40 TF轴承
| 产品名称: | TUJ 40 TF轴承 | 品牌: | SKF |
|---|---|---|---|
| 类型: | SKF轴承 > 轴承单元 > Y-轴承承载单元 | ||
| 描述: | TUJ 40 TF轴承是【SKF轴承 > 轴承单元 > Y-轴承承载单元】的型号,主要用在通用电动机、离心分离机、压缩机、变速器、各类产业用减速机、石油钻机转环、轧钢机轧制螺杆用减速机、精细化工机械、轻工机械、太阳能发电设备等各大领域 | ||
电话/微信:138-8949-5179
SKF TUJ 40 TF轴承详细信息
TUJ 40 TF轴承是【SKF轴承 > 轴承单元 > Y-轴承承载单元】的型号,主要用在通用电动机、离心分离机、压缩机、变速器、各类产业用减速机、石油钻机转环、轧钢机轧制螺杆用减速机、精细化工机械、轻工机械、太阳能发电设备等各大领域。
SKF TUJ 40 TF轴承详细参数
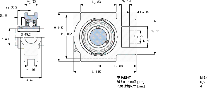
| Y-型轴承张紧轮单元, 平头螺钉锁定, 公制轴承 | ||||||||||||
| 尺寸 | 基本负荷额定值 | 限制速度 | 质量 | 型号 | ||||||||
| 动态 | 静态 | 轴承单元 | 轴承座 | 轴承 | ||||||||
| d | A | H | H1 | L | C | C0 | 带轴公差h6 | |||||
| mm | kN | r/min | kg | - | ||||||||
| 40 | 49 | 115 | 102 | 145 | 30,7 | 19 | 4800 | 2,3 | TUJ 40 TF | TUJ 508 | YAR 208-2F | |
SKF TUJ 40 TF轴承尺寸图纸

